This page is still under construction, I am using it as my online notebook. To Do It's time to finalize and sort the content on this page, but ...! ;-) |
||||||||||||||
Bauelemente, Baugruppen |
||||||||||||||
| "Die Einen kochen und kreieren leckere Gerichte; hier findet
man einige Zutaten zur Realisierung elektronischer Schaltungen." mkn, 2013, ;-) |
||||||||||||||
RF Module |
||||||||||||||
| - eine Vielzahl von RF Modulen werden
auf den verschieden Verkaufsplattformen angeboten - IC-Applikationen auf Breakout Boards - sinnvolle Symbiose zwischen gefertigten Bausteinen und eigenen Lösungen, zwecks Schaffung einer neuen Gesamtheit, das gewünschte Equipment, unter dem Optimierungskriterien wie eigene Möglichkeiten, Zeit und finanziellem Aufwand - Nutzung in der Entwicklungsphase einer neuen Baugruppe - letztlich gelebte Arbeitsteilung, förderlich für alle Beteiligten - häufig unterschätzt man den zeitlichen und finanziellen Aufwand einer komplett eigenständigen Lösung gemessen an den anfangs gesehen "hohen" Kosten eines fertigen Moduls |
||||||||||||||
| - Bezugsquellen gibt es zahlreiche, die Listung im Internet sind sehr umfangreich | ||||||||||||||
| - ebay, Amazon | ||||||||||||||
| - PLL-Module, GPSDO mit TCXO, etc -> DF9NP | ||||||||||||||
|
- Hartwig Nachrichtentechnik
Meisterbetrieb |
||||||||||||||
| ============================================================ | ||||||||||||||
| - Modulplatinen für Experimente und
Selbstbauprojekte by Uwe Richter - DC8RI FUNKAMATEUR (2021), H.8, S. 636-637, H.9, S. 724-725, H.10, S. 792-793 |
Bezug: FUNKAMATEUR-Leserservice, Online-Shop -> Module als Bausatz |
|||||||||||||
| - einige Module bestellt und aufgebaut - fairer Preis, Support des DIY - Verwendung |
||||||||||||||
| - Modul zur HF-Umschaltung | ||||||||||||||
| - geliefert wird u.a. die Platine mit Relais ARK111-RK1-12 V (Matsushita) bis 1,5 GHz | ||||||||||||||
| ============================================================ | ||||||||||||||
Ringmischer, double balance mixer |
||||||||||||||
| RM
Inside |
||||||||||||||
|
SYM-11.pdf Level 7 (LO Power +7dBm) 1 to 2500 MHz Features • wideband, 1 to 2500 MHz • low conversion loss, 7.0 dB typ. • good isolation, 40 dB typ. L-R, 35 dB typ. L-I |
https://ww2.minicircuits.com Bei Pollin leider ausverkauft Frequenzmixer MCL SYM-11, 1,95€ |
|||||||||||||
|
http://www.qrp4u.de/docs/en/Components/index.htm |
||||||||||||||
| Ein hochwertiger Mischer mit Bauteilen aus der Bastelkiste by DC9OE | ||||||||||||||
| IE-500 - Hersteller Mini-Circuits RF Frequency Mixers |
IE-500-I-0 | |||||||||||||
| - HP 10514A - Double-Balanced Mixer for HP 8640A HP 8640B | - 1965 , Volume v.17 n.2 , Issue Oct-1965 (worldradiohistory.com) | |||||||||||||
| - Taking the mystery out of diode double-balanced mixers (robkalmeijer.nl) | ||||||||||||||
| - 5082-2830: Schottky Barrier Diode Quads for Double Balanced Mixers | ||||||||||||||
| - The Schottky Diode Mixer AN995 by HP | ||||||||||||||
| - Projekt 10_Double Balanced Mixer_2016.pdf (gunthard-kraus.de) | ||||||||||||||
| - mixers3.pdf (qrp.gr) | ||||||||||||||
| - Application Note 991, Harmonic Mixing With the HSCH-5500 Series Dual Diode | ||||||||||||||
| ============================================================ | ||||||||||||||
|
GRUNDIG RF-Modul STS (MPS0123D) "RF-Modul aus einer ehemaligen Grundig-Produktion. Keine technischen Daten oder Unterlagen vorhanden. Maße (LxBxH): 82x49x16 mm." Preis: 1,95, 2017 Preis: nunmehr 50 Cent, 05.02.2019, 15 Cent, 05.02.2020 Bilder Google Bestandteil der Basis-Station ? CP-800 1991 Telefon TS-980 ??? - Pollin Schnäpchen GRUNDIG RF-Modul STS (MPS0123D) (1x MC3371 + 1xMB1519 +.) by Markus W. (dl8mby) |
- Schnurlostelefon |
|||||||||||||
| Bestückung: - MB1519 FUJITSU, DUAL SERIAL INPUT PLL FREQUENCY SYNTHESIZER WITH 600MHz PRESCALER - TBB204G Siemens, balance mixer up to 1,1 GHz - MC3371, Motorola, Low Power Narrowband FM IF Empfänger - CO-T97NW 12.800176 BM, MEIDEN, Quarzoszillator - TOYOCOM, JAPAN, TCO-918T3 12.800176 9302 (Fertigungsjahr 1993?] - 55D M A Murata -> Ceramic Filters (CERAFILr)/ Ceramic Discriminators for Communications Equipment - Filter - 455 kHz Total BW=20kHz CFU455D2 marking 55D - 886 34 Murata muRata -> Filters Diplexer - 931 34 Murata - 8H3E 28 VCO? - 26BV VCO ? - 2 Quarze? - Quarz 20,945 MHz NDK Rx-Zweig - Antenne - SAW-Filter: 886 MHz Rx-Zweig ??? 8860x Murata, Filter oder Resonator Rx: Antenne-F300: 885-887 MHz-> SAW-Filter ???-> Mischer 886 MHz(TBB204G, LO: ???)-> 21,400 MHz-> MC3371(LO: 20,945 MHz) -> 455 kHz Kennzeichnung der Leiterplatte: MPS0123D |
Telefon -> CT1+: 885–887 MHz (Uplink) und 930–932 MHz (Downlink) |
|||||||||||||
| Transistoren - E2p -> BFS17A NPN 3 GHz wideband transistor https://www.nxp.com/part/BFS17A - V2p - BFQ67 - 3L oder 3Ls |
https://www.sphere.bc.ca/download/smd-codebook.pdf | |||||||||||||
| - M1U MA3X716.pdf | - http://www.smdmark.com/en-US/smd-code-M1U.html | |||||||||||||
| - R3 6 Pins | ||||||||||||||
| Bauelementegewinnung, Verwendung | ||||||||||||||
| - Wie XO 12,8 MHz auslöten? | ||||||||||||||
| ============================================================ | ||||||||||||||
RF Bias-Tee |
||||||||||||||
Speiseweiche, Fernspeiseweiche, Bias Tee |
||||||||||||||
| -
HF-Bias-T Bias-T-Modul für 10 MHz bis 6000 MHz Ein- und Ausgang SMA-Buchse (50 Ohm) - RF - RF+DC Anschluß, Löt-Pads: DC und GND |
![]() |
|||||||||||||
Technische Daten:
- Messung der Kapazität am Anschluß DC-GND: 9 uF |
![]() |
|||||||||||||
| - Dokumentation: keine | ||||||||||||||
| - Lieferzustand: | ||||||||||||||
| - eine SMA-Buchse fehlerhaft montiert, händisch aufgelötet! (siehe Foto) | ||||||||||||||
| - R1 und D1 sind nicht bestückt | ||||||||||||||
| -
modification
of a GSM bias tee for 2 m , 70 cm and 23 cm use by DL4XAV MIKOM Bias Tee TMA id-No. 145120 Rev. 00 SN. 7662 ein Blick in die offene Box |
||||||||||||||
| - Bias Tees https://www.youtube.com/watch?v=lxgpm-UXTNY | ||||||||||||||
| ============================================================ | ||||||||||||||
RF Schalter |
||||||||||||||
|
AS183-92/AS183-92LF: 300 kHz-2.5 GHz pHEMT GaAs SPDT Switch - Datenblatt |
||||||||||||||
| Skyworks AS179-92LF | ||||||||||||||
| -
Umschalter SPDT mit dem AS179-92LF aufgebaut und vermessen |
Shelvin –
Elektronik ausprobiert und erläutert Arduino Microcontroller, Elektronik, ICs, WiFi, NMEA und HF Schaltungen Platinen abzugeben aus meinen Projekten |
|||||||||||||
| ============================================================ | ||||||||||||||
| LO PLL USB ADF4351 [17.07.2019, mkn] | ||||||||||||||
| - programmierbarer Local Oscillator | ||||||||||||||
PLL als Frequenz-Vervielfacher |
||||||||||||||
| http://onsemi.com - https://www.onsemi.com/PowerSolutions/product.do?id=NB3N502 - NB3N502 14 MHz to 190 MHz PLL Clock Multiplier - https://www.onsemi.com/pub/Collateral/EVBUM2064-D.PDF - https://www.digikey.de/products/de/integrated-circuits-ics/clock-timing-clock-generators-plls-frequency-synthesizers/728?k=NB3N502 |
||||||||||||||
| - Micro-Projects • Tools : A universal XCO/PLL Board by changpuak.ch | ||||||||||||||
| -
http://www.wenzel.com/documents/circuits1.htm |
||||||||||||||
| ---> PLL Frequency Multiplier | ||||||||||||||
| ============================================================ | ||||||||||||||
VCO Voltage Controlled Oscillator |
||||||||||||||
| VCO KSV-5M1011, 1011 MHz Pollin | ||||||||||||||
| Dez. 2017, 2,95 € | ||||||||||||||
| "Spannungsgesteuerter Oszillator ( VCO ).
Der VCO ersetzt mechanische Drehkondensatoren. Eine Änderung der
Eingansspannung bewirkt eine Frequenzänderung um die Mittenfrequenz.
Anwendung findet dieser Baustein in PLL-Schaltungen höherer Frequenzen.
( Mobilfunk, - Satanwendungen )." Technische Daten: Bauform: SMD Mittenfrequenz: 1011 MHz Betriebsspannung: 5 V Maße (LxBxH): 12,1x10x3,6 mm" |
Datenblatt Bild |
|||||||||||||
| Hersteller http://www.sangshinec.com/ |
vco_vw.htm Part Numbering |
|||||||||||||
| http://www.systroninc.com/pdf/vcos/KSV-5V2450BY_Sys.pdf | ||||||||||||||
|
|
siehe auch unter Meßtechnik | |||||||||||||
| ============================================================ | ||||||||||||||
RF Splitter/Combiner |
||||||||||||||
| - Power Splitter & Power Combiner by Werner Schnorrenberg, DC4KU DC4KU | ||||||||||||||
| - Breitbandige Leistungsaddierer/–teiler und Hybrid-Combiner by DL7MAJ | ||||||||||||||
| -Resistive Power Splitters | ||||||||||||||
| - 6 dB resistive splitter | ||||||||||||||
|
Eingang: 1 Ausgänge: 2 Insertion Loss: 6 dB Entkopplung der Ausgänge: 6 dB, entsprechend der Dämpfung Ausführungen - Wye 6 dB resistive splitter Zo= 50 Ohm R1= Zo/3= 50:3 Ohm= 16,67 Ohm - Delta 6 dB resistive splitter Zo= 50 Ohm R2= Zo= 50 Ohm |
||||||||||||||
| - 1:4 Resistive Divider by Tektronix | ||||||||||||||
|
- ein Eingang und vier Ausgänge Uausgang= Ueingang/4 (DC, ...) Insertion Loss: 12 dB, nominal DC 12.5 ±1.25 dB, 0-25 GHz, guaranteed Impedance @ DC (ports 1 through 5) 50 ±1 Ω, guaranteed Widerstände: Port 1: R1=Zo/3= 16,67 Ohm Verbindungswiderstände zu den Ausgangssplittern: R1A=R1B= Zo/3+Zo/3= 33,34 Ohm Port 2: R2= Zo/3= 16,67 Ohm Port 3: R3= Zo/3= 16,67 Ohm Port 4: R4= Zo/3= 16,67 Ohm Port 5: R5= Zo/3= 16,67 Ohm Vorteil von Resistive Splittern - Bandbreite - low Insertion Loss difference - phasen balance |
![]() |
|||||||||||||
| ============================================================ | ||||||||||||||
| - Low loss Splitter | ||||||||||||||
|
- Understanding Power Splitters by
Mini-Circuits® - DIY Low-Cost Power Splitters by Mini-Circuits® - AN10-002 - Miniature Power Splitter (minicircuits.com) - Photograph of the Miniature Power Splitter beide Transformatoren auf einem Doppelloch-Ferrit |
Zo=50 OhmR1=2*Zo |
|||||||||||||
|
- Power
Splitter/Combiner ZFSC-2-4+ MCL - 2 Way-0° 50Ω 0.2 to 1000 MHz, 3* BNC-f |
||||||||||||||
|
- Miniature
Power Splitter -> SBTC-2-10+ 2-way SMT Power Splitter, 5-1000 MHz - Datenblatt - Patent Wicklungsaufbau pdf |
||||||||||||||
|
- SBTC-2-10L Splitter
Combiner (minikits.com.au) - Bewicklung des Doppellochkerns Generic photo used for illustration purposes only. |
||||||||||||||
|
-
Teardown: Mini-Circuits ZFSC-2-1-75 Zo= 75 Ohm - Blick ins Innere - Datenblatt ZFSC-2-1-75 by MCL |
||||||||||||||
|
- FD-HF
Combiner/Splitter 1217 by
Fox Delta - Schaltbild |
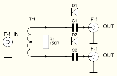
- Die Balance-Widerstände sind falsch! | |||||||||||||
|
-
Recycling a Mini Circuits ZAPD1 0.5-1GHz power splitter by
G4BAO - https://www.minicircuits.com/pdfs/ZAPD-1.pdf |
||||||||||||||
| - Can anyone explain how this mini-circuits power splitter/combiner works? | - Es ist immer wieder von Interesse wie die Theorie in der Praxis umgesetzt wird. | |||||||||||||
|
Blick ins Innere und selbsterklärend 1:4 Splitter/Combiner Kaskade von 1:2 Splittern Kompensation der Balance-Widerstände, zwei Doppelloch-Kerne Kompensations-C zwischen den Matcher-Trafos und Splitter-Trafos |
||||||||||||||
| - Typ? | ||||||||||||||
| - Dual-core power splitters by IN3OTD | ||||||||||||||
| - Doppellochkern BN43-2402 | ||||||||||||||
| -
BN 43-2402 Doppellochkern, außen 7 / 4 mm, innen 2 mm, Al: 1275 via
Reichelt Datenblatt |
||||||||||||||
| - KA7OEI's blog: Homebrew construction of 2 and 4 port splitters/combiners for the LF-MF-HF(30 kHz-30 MHz) frequency range | ||||||||||||||
| - A 1.8 to 54MHz High Power Combiner Set by w6pql | ---> viel Interessantes wird auf seiner Webseite geboten. | |||||||||||||
| ============================================================ | ||||||||||||||
| -
Two-way
Splitters: A Peek Under the Hood - Fürwahr es ist ein Blick unter die Haube,hi |
||||||||||||||
| - SPLITTER / It’s fun to build electronics circuits.|Feb.2019 - Monthly FB NEWS | ||||||||||||||
| - 5~2400MHz SMATV 2-WAY SPLITTER | ||||||||||||||
|
-
Teardown: Xiamen Seebest 3-way CATV Directional Coupler/Splitter |
||||||||||||||
-
2 Way Digital TV Splitter CATV Splitter Satellite Splitter 5~1000MHz
![]() |
Zo= 75 Ohm |
|||||||||||||
-
Innenaufbau![]() - nur ein Transformer(?), 150 Ohm, zwei Dioden, 2 Kondensatoren parallel zu den Dioden |
![]() |
|||||||||||||
| ============================================================ | ||||||||||||||
| -Antennenverteiler
mit Gleichspannungsdurchgang, 2-fach POLLIN - Bestellnr.: 570290 EAN: 4049702064749 "Technische Daten: Frequenzbereich: 5...2300 MHz Impedanz: 75 Ω Durchgangsdämpfung: 4 dB Entkopplung: > 30 dB DC-Durchgang Voll geschirmtes Metallgehäuse F-Anschlüsse " - Return loss= ??? |
||||||||||||||
- der lange Weg von der F-Buchse zur BNC-Buchse - die kürzere Adaption mit einem geeigneten Adapter - für den Verwendungszweck bei 10 MHz ignorieren wir eine wellenwiderstandsgerechte Ausführung... hi - K 423: BNC-Adapter, BNC-Buchse - F-Stecker bei reichelt elektronik |
![]() |
|||||||||||||
| ============================================================ | ||||||||||||||
| -
SVE 20-01: Verteiler, 5-2400 MHz, 2-fach, 8 dB bei
reichelt elektronik Hersteller: AXING Datenblatt. Product information SVE 20-01 , ausführliche technische Daten - SAT splitter 2-way, 4 dB, basic-line |
Warum 8 dB? Laut axing sind es ca. 4 dB. Siehe Datenblatt -> Distribution loss vs frequency |
|||||||||||||
![]() |
||||||||||||||
| - 2-fach-Splitter/Combiner | ||||||||||||||
- Bausatz Breitband Splitter/ Combiner bei FUNKAMATEUR Online Shop, Box73 |
||||||||||||||
| - Art.Nr.: HFB-ADP - Preis. 11,95 EUR [24.03.2022] - Lieferumfang: - Platine - 3 SMA-Buchsen - ADP-2-1W+ (Mini-Circuits) - Entwurf: DC8RI (2021) Dokumentation: keine, lediglich Bild und Platinenzeichnung im Online-Shop |
![]() |
|||||||||||||
| - Modul
ADP-2-1W+ von Mini-Circuits® -> ADP-2-1W+ 2 Ways Core & Wire Power Splitter, 1 - 650 MHz, 50Ω - Datenblatt |
Abmessungen7.87 mm * 5.59 mm Höhe 4.11 mm |
|||||||||||||
Quelle:Datenblatt Mini-Circuits |
1 2 3 Sum Port Port 2
6 5 4 GND Port 2 links: Kondensator rechts, grün: 100 Ohm Balance-Widerstand Mitte: Stützpunkt |
|||||||||||||
![]() |
Zo= 50 Ohm |
|||||||||||||
| Test des Moduls [26.5.22,
mkn] Test-Aufbau: Signalquelle 10 MHz: -Ausgang: 4foB, K3 des s-GPSDO Powermeter des FA-2, Fehler ? 0,5 dBm Kabel: 2*1 m RG xxx SMA-f/BNC-m plus Adapter BNC-f/SMA-m und SMA-f/SMA-f SUM = +9,4 dBm @10 MHZ Ausgangspegel Q1 +6,4 dBm +5,8 dBm Q2 50 Ohm Abschluss Open |
||||||||||||||
| Q2 +6,4 dBm
+5,8 dBm Q2 50 Ohm Abschluss Open |
||||||||||||||
| ============================================================ | ||||||||||||||
| 10mhz Buffer Amplifier / Splitter by Jimmy Oldaker W7CQ | ||||||||||||||
| - Schaltbild | ||||||||||||||
| 8-fach-Splitter Diese Schaltung wurde von Bob Larkin W7PUA entworfen." Transformationen - 50 Ohm -> 25 Ohm -> Splitter 2 * 50 Ohm - 50 Ohm -> 12,5 Ohm -> Splitter 2* 25 Ohm - 25 Ohm -> Splitter 2* 50 Ohm Transformatoren ![]() - FT23-43 - https://www.funkamateur.de/tl_files/downloads/hefte/2008/FA-BE-Info_Amidon-FT.pdf |
![]() |
|||||||||||||
| Bezug - FT 23-43 Ferritring 5943000101 via Reichelt, 0,80 € 15.04.22 - https://www.funk73.de/p/ringkern-ft-23-43-l13a - |
||||||||||||||
| Winding a Bifilar Coil by W7CQ | ||||||||||||||
| ============================================================ | ||||||||||||||
| Lumped Wilkinson Divider | ||||||||||||||
Microwave Toolbox |
![]() |
|||||||||||||
| - Lumped Element Wilkinson Splitters (microwaves101.com) | ||||||||||||||
| - Vierfach-Signalsplitter für 10 MHz mit
Wilkinson-Teiler by Klaus Roggenkamp - DK3HA FUNKAMATEUR 2021 H. 10, S. 788-799 |
||||||||||||||
| ============================================================ | ||||||||||||||
Antennenabzweiger |
||||||||||||||
| Antennenabzweiger 2-fach - 570106 Pollin, 0,25 €, 31.01.2020 - F-Anschlüsse - Frequenzbereich 3...900 MHz - Durchgangsdämpfung < 0,8 dB - Abzweigdämpfung 20 dB |
||||||||||||||
| - AZF 2 / 20 dB - Kübler -Verschlußdeckel, Innenseite - RFI 100 dB - Made in Taiwan - R. O. C. |
- Aufbau - Manhattan-Style - zwei Doppelloch-Ferrit-Kerne - 6 Kondensatoren, 1,5p ..........,0,5p - 2 Widerstände 82 Ohm, hierzu je ein Kondensator parallel geschaltet - an den drei Ausgängen 1 Kondensator gegen Masse |
|||||||||||||
| Anschlüsse IN Tap -20dB Tap -20dB Out |
Schaltungsprinzip - 2 Richtkoppler -20dB in Serie geschaltet |
|||||||||||||
RF Switch Matrix |
||||||||||||||
| - Schaltfeld, Durchschaltung des Signalweges - n Eingänge - m Ausgänge |
||||||||||||||
|
|
||||||||||||||
| Verstärker, Amplifier | ||||||||||||||
| - Kleinsignal-Verstärker - Leistungsverstärker |
||||||||||||||
| - Verstärkung - Linearität - .... |
||||||||||||||
MMIC |
||||||||||||||
| MMIC Monolithic Microwave Integrated Circuit | ||||||||||||||
| http://www.hp.woodshot.com/hprfhelp/lit/amplit.htm | ||||||||||||||
| http://www.hp.woodshot.com/hprfhelp/lit/amplit.htm#msa_lit | ||||||||||||||
| Bauelemente-Information MMIC by FUNKAMATEUR | ||||||||||||||
| mini-circuits | ||||||||||||||
|
Monolithische, integrierte Mikrowellenschaltungen Leseprobe aus "HF-Bauelemente und -Schaltungen ", beam-Verlag - hf-bau.inhalt.pdf |
beam-Verlag 2004, (Deutschsprachige Lizenzausgabe des Titels „RF-Components and Circuits“, erschienen bei Elsevier Ltd., Oxford) ISBN 978-3-88976-048-7 | |||||||||||||
| - Einstellung des Arbeitspunkts bei MMIC-Verstärkern HF-Praxis 5-2016 II.pdf | ||||||||||||||
|
Monolithic Microwava Integrated Circuits - Part 1 - ARRL by Al Ward,
WB5LUA Monolithic Microwave Integrated Circuits - Part 2 - ARRL |
||||||||||||||
| MSA-0335 ADVANTEK - Datenblatt |
||||||||||||||
| -> http://www.minikits.com.au/kit-help | ||||||||||||||
|
http://www.arrad38.fr/bidouilles/lna_pga103_schubert/lna_pga103_schubert.htm |
||||||||||||||
| - INA-02186 Markierung: N02 MMIC im SOT-86-Gehäuse (SMD) Package 86 Frequenzbereich: 0...1 GHz Verstärkung 31 dB @ 0,5 GHz Rauschzahl 2,0 dB @ 0,5 GHz - Datenblatt |
INA-02186 1,95, 11.11.2019 |
|||||||||||||
SAT-Leitungsverstärker |
||||||||||||||
|
SAT-Leitungsverstärker
POLLIN 94-570567 02.01.2018 4,95 € (17% Red.) "Dieser Verstärker wird einfach zwischen Receiver und LNB geschaltet. Er verstärkt das Signal um ca. 20 dB. Die Stromversorgung erfolgt über den Receiver. Frequenzbereich 900...2150 MHz." |
Beschreibung, Bild und Lieferung
verschieden Leider keine technischen Daten angegeben - Informationen und Bild sind aktualisiert 06.02.2019 - Preis: 3,60 €, 08.11.2019, Bestand: ca 534 Stk. |
|||||||||||||
| Geliefert wurde | ||||||||||||||
| 2-LINK CABS002, SAT-Inline Amplifier http://www.2-link.de Made in China |
Datenblatt | |||||||||||||
| Technische Daten: - 47-2300 MHz - 20dB - DC 13-18 V |
http://www.mediawebstore.de/index.php?artno=CABS002 - Produkt Bilder |
|||||||||||||
| 2-Link® SAT-Inline Verstärker - Verstärkung
von SAT-Signalen - Anschluss: F-Stecker - Signalverstärkung: 20 dB - Frequenzbereich: 47-2300 MHz - DC-Durchgang: 13-18V Artikel-Nr.: CABS002 EAN: 42505724006678 |
||||||||||||||
| -
SAT inline amp modification for weak signal operation by
DL4XAV - RAM-6A+.pdf -> https://ww2.minicircuits.com/pdfs/AN60-062.pdf - Blick ins Innere - Schaltplan - interne Stabilisierung der DC für MMIC durch Z-Diode 6 Volt - F-Verbinder durch SMA ersetzt - Austausch des MMIC-Typs - R1 entfernt - eine Drossel modifiziert (DLK ?) |
DL4XAV | |||||||||||||
|
Ultra-Cheap LNA alternatives - Modifikation eines SAT-Leitungsverstärkers - Schaltplan - MMIC BGA2709 Datenblatt Marking by OE5VLL - Innerer Aufbau - nunmehr externe DC-Versorgung, Durchschleifung DC entfernt - |
||||||||||||||
|
SAT/DVB-T Leitungsverstärker 18 dB Pollin "Dieser breitbandige Verstärker ist kaum dicker als ein Antennenkabel und wird einfach zwischen Antenne und Receiver geschalten. Geeignet für Satelliten- und DVB-T-Anlagen. Die Stromversorgung erfolgt über den Receiver." Technische Daten: - Betriebsspannung: 5...15 V- - Stromaufnahme: max. 40 mA - Verstärkung: 18 dB - Frequenzbereich: 5...2300 MHz - Impedanz: 75 Ω - F-Stecker mit Gummidichtung - Maße (ØxL): 12x44 mm |
Mini Koaxialkabel-Verstärker 18 dB (DVB-T / SAT) Wentronic Artikel-Nr.: 67237 EAN: 4040849672378 Goobay 67237 SAT-Verstärker 18 dB Voelkner - Datenblatt "Mini Koaxial Kabelverstärker 18dB (DVB-T/SAT) F-Stecker auf F-Kupplung (5-2300 MHz) - super kleine Bauform - für DVB-T und SAT geeignet - wasserdicht mit Gummidichtung - für Außenmontage geeignet - Frequenzbereich 5-2300 MHz - Impedanz 75 Ohm - Rauschmaß max. 5 dB - Rückflussdämpfung 10 dB - Verstärkung 18 dB (linear) - Ausgangspegel max. 100 dBμV - Versorgungsspannung 5-18 V DC/ 40 mA typ. / 50 mA max. über Receiver - RoHS-konform" |
|||||||||||||
|
|
||||||||||||||
Rauschquelle, Noise Source |
||||||||||||||
| Noise Source Simple Spectrum External Generator Tracking Source SMA Modules Q# | noise source BG7TBL 2016-03-06 | |||||||||||||
| Using the BG7TBL Noise Source to Characterize a HF Filter | ||||||||||||||
| Review of a Working Chinese DC to 2 GHz Noise Source | ||||||||||||||
| BG7TBL | ||||||||||||||
|
Funkamateur http://www.box73.de/product_info.php?products_id=3769 |
||||||||||||||
|
|
||||||||||||||
To Do |
||||||||||||||
Updated on 18.04.22