AG00013_.gif (7874 Byte)This page is still under construction, I am using it as my online notebook.
To Do   It's time to finalize and sort the content on this page, but ...! ;-)
 
Bauelemente, Baugruppen
 
"Die Einen kochen und kreieren leckere Gerichte; hier findet man einige Zutaten zur Realisierung elektronischer Schaltungen."
  mkn, 2013, ;-)
 
 
 

simple-GPSDO 10 MHz  by DL4ZAO and DL7UKM

 
 
 
Vortrag, Baumappe, Leiterplatte zum simple-GPSDO 10 MHz bei Günter, DL4ZAO

Vortrag auf der UKW-Tagung 2020 "cloud edition"

- „Simple GPSDO" – GPS angebundener 10 MHz Referenzgenerator fürs Shack - YouTube, DL4ZAO, DL7UKM



Download aktuelle  Baumappe Simple-GPSDO (pdf) ab PCB v2.2

Download Baumappe Simple-GPSDO (pdf) bis PCB v2.1
 
-> Erfahrungsaustausch für Simple-GPSDO Nachbauer und solche die es werden wollen
     am 16. 12. 2021 um 19:30 Uhr
 
Zubehör, optionale Erweiterungen
 
 - 4-fach Fan Out Buffer, 4*10 MHz by DL4ZAO
 - Erweiterungsboard 25-MHz-VCTCXO-T604 by DL4ZAO 
 - Erweiterung 25-MHz-VC-OCXO by DL7UKM 
 
 

-> Software für den simple-GPSDO

 
======================================================

 

  Und hier in Kurzform einige Erinnerungen, Anmerkungen, Notizen und Erfahrungen
 von und mit Anwendern  by DL7UKM


 ->  FAQ

 
 
Rückblick, Notizen
[Jan. - Juli 2020, Okt. 20 ..., mkn]
 
Eine genaue Referenzfrequenz im Shack, das war schon immer eine Forderung an den Betreiber einer Amateurfunkstelle.
1966 wurden bei der Abnahme eine Genauigkeit von 10-4 gefordert, um die Bandgrenzen mit den Aussendungen
nicht zu überschreiten.



 Aus einem AFU-Gesetz der DDR.

Ein "Eichmarken"-Generator  musste her.



 
Die preiswerte Verfügbarkeit von GPS-Rx-Modulen, OCXO's und weiteren Komponenten machen einen Eigenbau durchaus sinnvoll. Lernen, programmieren und basteln, warum nicht auch im Alter, schließlich ist man(n) schon seit 1966 OM(old man).

Alain's, F1CJN, Veröffentlichung fand ihren Widerhall bei mir im Februar 2020. AZ-Delivery lockte mit einem unschlagbaren
Tagesangebot für ein NEO-6M-Breakout Board und es ging los.

Der Breadboard-Aufbau erweiterte sich ständig. Zuerst nur Stationsuhr und Lokatoranzeige, dann fand sich noch eine mit  einem Frequenzteiler bestückte Lochraster-Platine vom Projekt der ULI-REFERENZ im Store der unvollendeten Projekte.
Als Phasendiskriminator kam der CD4046B zum Einsatz, tnx an Wolfgang, DJ8LC.
Damit das Ganze auch transportierbar war, fand eine ausgemusterte Flußkrebsverpackung ihre weitere, nachhaltige Verwendung.
Nicht nur den Verzehr dieser köstlichen Krebse kann ich empfehlen, sondern auch die nachhaltige Verwendung der Verpackungs-Schalen.

Fazit: die erstmalige Verwendung eines Breadboards zum Aufbau einer Versuchsschaltung im Frequenzbereich DC bis 1,5 GHz war gelungen.
 
Über die Mitgliedschaft im DARC oder einem AFU-Verein wird hin und wieder viel diskutiert.
Ich kann nur jedem empfehlen, Menschen sind nur in einer Gemeinschaft stark, Querelen gibt es überall, das ist Jitter in der Gemeinschaft, und wenn der langzeitliche Mittelwert eine stabile und sinnvolle Größe ist, dann ist es auch wert Mitglied dieser Gemeinschaft zu sein.

- Jitter der Timepulse-Frequenz und wie kommt man zu einer stabilen Frequenz, hierzu später.
 
Zurück zur Flußkrebsschachtel mit dem wachsenden Inhalt, welche an den wöchentlichen Mittwoch-Abenden im Wasserhaus, 
natürlich, mit einem gewissen Stolz, präsentiert wurde.
Wasserhaus in Weinheim,
OV-Heim des DARC A20 und FACW e.V.
 
Das Ding schien stabil zu arbeiten, die PLL rastete, das Display glänzte mit genauer Zeit und Lokator-Ausgabe. Die Frequenz wurde mit den vorhandenen Zählern überprüft. Der Versuchsaufbau wurde durch die Allgemeinheit zur Kenntnis genommen.
Einige zeigten größeres Interesse und Günter, DL4ZAO, machte die lapidare Anmerkung:
 "Soll ich mal dafür eine Leiterplatte machen?".
Auf so ein Angebot kann man nur mit JA antworten und es entwickelte sich in gefühlten, unendlichen Stunden und nunmehr Wochen, Monaten ein gemeinschaftliches Projekt zwischen DL4ZAO und DL7UKM.

Das erinnerte mich an frühere Gemeinschaftsprojekte, zig Jahrzehnte zurück, mit Sid(Siggi), DM2AYO und Olaf, DL7VHF.
- 200-kHz-ZF mit Hänge-Regelung, TX-Umsetzer 144 MHz auf 432 MHz, Fernschreibzusatz, etc.
 
Entwicklung einer Schaltung ohne potenzielle Nutzer macht in der Regel keinen Sinn, es sollte ein gemeinschaftliches Projekt auch im erweitertem Rahmen sein.
KISS war ein Schlagwort, sobald neue Forderungen aufgestellt wurden. Nicht so viele Optionen, multivalente Nutzung hatte ich im Kopf und Günter warnte vor möglichen Folgen. Heute [06.11.21, mkn] könnte ich darüber einen längeren Vortrag halten. Dennoch die multivalente Verwendung der Leiterplatte steht bei mir nach wie vor mit im Mittelpunkt.
Das Ziel eines Aufbau-Workshops haben wir verpasst, da nach dem Eintreffen der Platinen, ein sofortiger Aufbau begann und danach sehr viel Support-Arbeit anfiel.
OK, Vergangenheit und CORONA macht uns ohnehin im Moment einen Strich durch die Rechnung.
Sollte es so weiter gehen, wäre da nicht ein Bastelnachmittag, unter den optimalen Bedingungen des eigenen Shacks und Einsatz von ZOOM  denkbar?

Hier sei noch das Team der ersten Stunden genannt:
Günter, DL4ZAO, Wolfgang, DJ8LC, Martin, DM4iM, Erwin, DK4BX, und Michael, DL7UKM.
 
 
 
- GPSDO : NE0-7M with Arduino to replace the 10 KHz from GPS Rockwell Jupiter

  
by F1CJN

  - Alain's Software wird als Basis-Software verwendet
Radio Club F6KBF
-> interessante Beiträge
- https://twitter.com/f1cjn

  ARDUINO
- GPSDO 10MHz by DL6NCI.de
  - auch ein erfolgreicher Umsetzer der Idee von Alain

 
DL7UKM's Versuchsaufbau entsteht
 

Status: 13.02.2020

Der 9stellige Zähler zeigt bei einer Messzeit von 10 Sekunden
eine Abweichung von 0,1-0,2 Hz an.
Der Zähler ist freilaufend, der interne OCXO wurde im vergangenen
Jahr kalibriert. Somit wird offensichtlich der Fehler des Zählers bestimmt.
Eine GPS-Synchronisation des Zählers durch ein andere GPSDO-Referenz
ist in Vorbereitung.
Spektrum, Jitter und Phasenrauschen sind noch zu untersuchen.
Der Breadboard-Aufbau ist hier nur eingeschränkt hilfreich.


- Stromaufnahme, gesamt: 311 mA
- I beim Anlauf: 514 mA, Anheizen des OCXO
 
   
- Verwendung NEO-6M (Modul GY-GPS6MV2) by DL7UKM

- 1pps-Ausgang von 10 kHz auf 1 kHz konfiguriert
- Modifikation der ino(Sketch)
- die Frequenzsetzung des 1pps-Ausganges ist nicht im NEO-6M abgespeichert
  - Versuch: Vcc  des Modules unterbrechen, danach blinkt the 1pps-LED im Sekunden-Takt
  - Restart: Nano V3
- Verwendung von Vcc= 3,3 V
- F1CJN-Software funktioniert auch mit dem NEO-6M

20.02.22: Der CD4046 wird durch einen 74HC4046 ersetzt
- kein Einlocken mehr, was nun?
- .....

21.02.2020: Die Ursache ist erkannt, der Pegel des NEO-1pps(1kHz) ist zu niedrig für die Aussteuerung an Pin 14,
                 C-Ankopplung, Spannungsteiler am Eingang des Signaleinganges löst das Problem.

22.02.2020: Ports des NANO's in Originalzustand versetzt, bisher 10 und 11 genutzt

" Connections to the GPS board
* GPS GND connects to Arduino Gnd
* GPS RX connects to Software Serial pin 3[D3, mkn] on the Arduino Nano, via voltage divider :
   330 Ohms in serial to 680 Ohms to ground Pin 4--330--NEO RX--680--GND
*
   GPS TX connects to Software Serial pin 4[D4, mkn] on the Arduino Nano

* GPS VCC connects to 5 volts
*
* Connections to the serial LCD 4x20 board
* Arduino 5V to LCD 5V
* Arduino GND to LCD GND
* Arduino A4 to LCD SDA
* Arduino A5 to CLD SCL
*
* Serial O/P at 115200 is used for test purposes." Auszug aus Sketch F1CJN


 


Anzeige mit der SW von F1CJN
Welche Genauigkeit erreichen wir?
Wie messen?
Welche Referenzquellen stehen zur Verfügung?
In zahlreichen technischen Gesprächsrunden mit Günter, DL4ZAO, entsteht die Schaltung eines Prototypen.
Dem Arduino NANO werden einige zusätzliche Aufgaben übertragen, so u.a. die Erfassung der Regelspannung des OCXO.
Als Hardware-Erweiterung ist nun auch eine Temperaturerfassung implementiert.
Günter, DL4ZAO, hat mit viel Know-How das Layout entworfen und auch der chinesische PCB-Produzent lieferte eine ordentliche Arbeit ab.
 
======================================================
   
PCB Rev.1 ist da

Erste Versuche der Bestückung; es passt und wackelt! Ich bin sehr zufrieden.



- sehr hilfreich hierbei ist eine einfache Leiterplatten-Halterung
  -> Reichelt: HALTER ZD-11E  
      mit Gummifüßen, 300 x 130 x 165 mm, 6,77 €
      - brauchbar, keine schlechte Investition[Stand: 11.09.2020, reduzierte MwSt.]

  -> POLLIN  Platinenhalter DAYTOOLS PH-200 Beschreibung
Inbetriebnahme des 10 MHz OCXO, der Bufferstufen und der Teilerkette(:10000).
- 74HC7046

   - LOCK-Detection
   - Erwartung und Realität
   - hier gibt es einiges zu tun
   - LED Dauerlicht Grün gelockt
   - LED OFF, nicht gelockt
   - LED sporadisches, instabiles Leuchten: nicht gelockt

   - Display mit Lock-Anzeige: gelockt L, nicht gelockt Leeranzeige, sporadische, instabile Anzeige L: nicht gelockt
 
Das Messen und Anzeigen der OCXO-Abstimmspannung erweist sich als hervorragender Indikator für den eingeschwungenen Zustand der PLL

Lock-in bedeutet nicht, dass die Frequenz schon genau ist

  - thermisches Aufheizen des OCXO, thermisches Gleichgewicht innerhalb und ausserhalb des OCXO's muß erreicht sein
  - GPS-RX ...
  - Genauigkeit benötigt Zeit und ist mit anfänglichem Warten verbunden, oder rechtzeitigem Einschalten, hi
 
Uups, die NEO-6M funktionieren auch mit Timepulse grösser 1 kHz, man darf nicht immer den Datenblättern glauben ;-)
 
 
- die Breakout Boards mit NEO-6M entwickeln eine eigenartige Dynamik

  - NEO-6M gelabelte Module zeigen unterschiedliches Verhalten
  - wurden überhaupt originale ublox-Module verwendet oder sind es Nachbauten mit einem variantenreichen Innenleben
  - ...
 
- Juni 2020: PCB-Charge rev 2.37[DL4ZAO] erscheint, aber nach kurzer Zeit nicht mehr verfügbar.

   Das Interesse an dem s-GPSDO-Projekt steigt.

- Was ist neu?
 - Lötjumper zur Umstellung des verwendeten Teiler-Verhältnisses
 - simple Holdover, Bereitstellung der Abstimmspannung des VC-OCXO bei Ausfall des GPS-Empfanges
   - manuelle Einstellung der Abstimmspannung des OCXO, Einstellregler R14
   - softwarebasierte Bereitstellung der Abstimmspannung bei Ausfall des GPS-Empfanges
 - Temperatursensor zur freien Positionierung
 - Testpunkte
 - Jumper NANO/Display-Stromversorgung(Unterbruch der internen Stromversorgung)
 - div. zusätzliche Kontaktmöglichkeiten zu verschiedener NANO-Pins
 - etc.


 - Sommer ist Gartenzeit, das heißt QTH-Wechsel und dies verzögert einiges
   - Mai bis Anfang Oktober in JO62UO
 - Juli, Reduktion der Mehrwertsteuer auf 16 %, nun aber ran
 
 - Die uns bekannten User kommen u.a. aus 4 DARC-OV's
 
- 06.07.2020, Kommt eine Neuauflage der Leiterplatte? Bei genügenden Bedarf sicherlich.
- Sept. 2020: Ja, neue Charge rev 2.37 ist da.
 
 - Günter, DL4ZAO, stellt die aktualisierten Dokumente, wie Vortrag und Baumappe,
    auf seiner Homepage zur Verfügung
.

   -> www.dl4zao.de 
       - Simple GPSDO - ein GPS synchronisierter Referenzsoszillator
       - Vortrag -> GPSDO.pdf
       - Download Manual und  Baumappe
    
       - Leiterplatte auf Anfrage über das Kontaktformular von DL4ZAO

       - Support: DL4ZAO, DL7UKM
      
- September 2020: UKW-Tagung, Vortrag ->YouTube
 
- Oktober bis Dezember 2020: ausgiebige Support-Arbeit
 
- Messungen Frequenzstabilität, Allan-Deviation, etc.
   
- Ein stabiler Referenzgenerator muß her, Kurzzeitstabilität ist gefragt, DOCXO MV89A
  - die Leiterplatte UNI-OCXO entsteht, Günter, DL4ZAO, hat wieder ein neues Layout geschaffen
     - Baumappe UNI-OCXO

 --> (D)OCXO Baugruppe
Ist evtl. für Nachbauer mit 12 V OCXO von Interesse.
- Aufbau der PCB 2.37 in Angriff genommen
- Uni-OCXO mit MV89A inbetriebgesetzt
 
- die C9-Storie [xx.12.2020]
 
- 14.12.2020
  Die Design-Studie, hi, zieht um. Tnx an Heinz, DC5WW!
 
  Es war ein langer Weg von der Flußkrebs-Schale mit Breadboard-Aufbau, über Leiterplatte mit Distanzbolzen im Design-Karton und nun ins DC5WW-Gehäuse.

 

 .

Das Display wurde bei der Gelegenheit auf 4 Zeilen umgestellt
- .......
 
- Fan Out Board wird nun endlich einmal aufgebaut oder genauer, mit dem Aufbau wird begonnen, hi.
 
- Jahr 2021
  - das Fanout-Board lernt laufen, obwohl schon lange genutzt.
 
- 25-MHz-VC-OCXO-Modul by DL7UKM entsteht, Jan/Feb. 2021
 
- 12.02.2021
   Das Gehäuse 25 MHz-sGPSDO wird bezogen.
 
Erfahrungsaustausch im virtuellen Wasserhaus, Clubheim von FACW und A20, via ZOOM.
Mehr als 50 Teilnehmer, Vorglühen ab 18:58, Start um 19:30 und nach 22 Uhr "cl" der  letzten Teilnehmer.
Exzellente Forumsführung durch Günter, DL4ZAO, Fragestellung  auch über den mitlaufenden Chat.
19:30 bis 21:30 Uhr, die Kernveranstaltung.

Peter, DL3PW, als Zoom-Organisator, übernahm die administrative Steuerung im Hintergrund und die Umfrage zum Video-Mitschnitt.


Im Fernsehen gibt es die Serie "Verrückt nach Meer", hier sicherlich "Verrückt nach mehr".
Getreu dem Motto "Bauen und Lernen" gab es sicherlich etwas für Jedermann, hoffentlich habe ich nicht eine anwesende yl/xyl übersehen.

   
23.04.2021, DL7UKM (mkn)

Der sGPSDO wird flügge und mausert sich zum 10-MHz-GNSSDO

- Hardware: PCB 1.0 bis 2_37mod, GPS-Breakoutboard mit ublox NEO-M8M

- Software: NEO6_4_Zeilen_xxxx_V0.15.ino [simultaner Empfang der Signale von GPS und GLONASS sind enabled]

- Der ublox NEO-M8M unterstützt u.a. einen simultanen Empfang der Signale von GPS, GLONASS, BEIDU und GALILEO.


Die Lock-LED ist nicht angeschlossen.
 

 

GNSSDO

Global Navigation Satellite System Disciplined Oscillator

GNSS-Navigation

GNSS  Global Navigation Satellite System
   
 
   
======================================================
 
 
User, Nachbauer, Aufbauer oder Anwender
   
 - Achtung, es sind natürlich mehr als hier aufgeführt. Dies wurde jedem Teilnehmer der Zoom-Meetings deutlich.
   
- s-GPSDO

- Martin, DM4iM's GPSDO
   - Linux
   - Bilder zum GPSDO
   - Videos
   - Der Wettbewerb der GPSDO's
   - erfolgreicher Aufbau Rev 1 (nunmehr als 25 MHz-Variante genutzt) und Rev 2.37 für 10 MHz

Die Webseite  ist abgeschaltet.
Eine neue Seite entsteht DM4iM.de
 
- Erwins, DK4BX, GPSDO
 
- DM4DS, GPSDO
  - Aufbau Rev 1
 
- Heinz, DC5WW
  - Aufbau der Platine und Inbetriebnahme im Oktober 2020
  - Tnx für das Bild, OCXO CTI, HCMOS-Ausgang, daher R22 und R23 nicht bestückt.

 



- Nur informativ, maßgeblich ist die Bestückungszeichnung
- Temperatursensor seitlich am CTI-Gehäuse befestigt
 
- Patrick, TK5EP sGPSDO
 
 
======================================================
 

FAQ Frequently Asked Questions

 
 
 
- Dokumentation

 - -> https://www.dl4zao.de von Zeit zu Zeit besuchen

    - Die GPSDO-BM wird regelmäßig aktualisiert.
    - Kommentare, Wünsche und Verbesserungsvorschläge sind willkommen.

    - aktuelle Version [v029-pcb_rev2.1, Stand 13.04.2021] -> Baumappe
 
======================================================
   
 
- Bausatz

 - es gibt keinen Bausatz

 - begrenzt auf die Lieferung der Leiterplatte und Bereitstellung einer umfangreichen Baumappe

 - und etwaiger persönlicher Unterstützung bei der Beschaffung der speziellen Bauelemente:

   - wie CD74HC7046AE, 74AC14, LMK1C1104PWR (Fanout-Buffer]

   - getesteter OCXO(nicht jeder der gebrauchten OCXO, mitunter mit "Hammerschlagverzierung",
      ist so jung geblieben
     in Sachen Uc @10 MHz, auch hier ist Alterung angesagt)

   - getestetes Breakout-Board mit gelabelten NEO-6M-Modulen, welche zu mindestens einen ublox G6-Chip enthalten

   - programmierten NANO



- Die Leiterplatte ist ein Freizeit-Projekt zweier OM's und dient der schnellen Nachbaubarkeit des s-GPSDO's.
Sie ist auch als Anstoß zum Eigenbau und Lernen von neuen Dingen zu verstehen. So gesehen ein Anfängerprojekt mit beachtlichem Potenzial in vielerlei Hinsicht.
 
 
- Bauelementeverfügbarkeit, Status: 06.11.2021, mkn
 
Bauelementeprobleme in der westlichen Welt werden ein globales Problem
 
Wer hätte sich eine solche COVID-19-Pandemie vorstellen können, zu heutigen Zeiten, und dann diese globalen Auswirkungen in zahlreichen Gebieten des täglichen Lebens.
Nun unser LMK1C-Probleme ist eins der unwichtigsten.
Bleiben wir gesund und nutzen die Verfügbarkeit der Covid-Schutzimpfungen.
 
Gibt es aktuelle Auswirkungen auf unser Projekt?
 
 - CD74HC7046AE
  - verfügbar bei  Digi-Key, Mouser[0] und anderen [06.11.2021]
  - Der Hersteller TI zeigt auch einen Bestand auf.
 
- 74AC14
   - verfügbar bei  Digi-Key, Mouser und anderen [06.11.2021]  
  - Der Hersteller TI zeigt auch einen Bestand auf
   - SN74AC14, CD74AC14 sind einsetzbar
 
- MCP4725   ---> Lösungen
 
   - Reichelt MCP 4725A0T-E/CH 12-Bit-Digital-Analog-Wandler, mit EEPROM, SOT-23-6 - Ist wieder lieferbar durch Reichelt. [15.01.2023, mkn]
 
Den Preistrend hatte ich in der Vergangenheit nicht bemerkt.  
 
 
- Die scheinbar hohen Halden in CN mit dem CTI-OCXO deuten auf  eine längere Verfügbarkeit hin.
   Schon einen Ersatz-OCXO oder einen weiteren OCXO für den nächsten GPSDO geordert?
 
 
 - LMK1C1104PWR (Fanout-Buffer], momentan bei den Distributoren Digi-Key, Mouser, etc. nicht verfügbar
    Was sagt OCTOPART?

   Nicht Ersatz, aber verwendbar CDCV304 und verfügbar bei Mouser[16.11.2021, mkn].
   - positive Reports von Nachbauern
   - Anpassungen des Fanout-PCB-Boards? ---> ToDo!

   - Der  CDCV304 wird  auch genutzt durch Dieter, DF9NP, in seiner 10-MHz- Vierfach-Verteiler-Baugruppe
 
 
 
- Preisentwicklung [06.11.2021]
 
 
 - Temperatursensor DS18B20 

   Reichelt 5,30 € Hersteller MAXIM Artikelnummer des Herstellers DS18B20+, 7,02€ 11.11.21
   Pollin     5,29 €
   Conrad  6,09 €




- Ein kostengünstiger Ausweg wäre eine Bestellung  u.a. bei BERRYBASE (Stand: 1,15 Euro/Stk, 16.11.21, CET:17:45) in Berlin.
  Ob das ein MAXIM oder ein Clone ist kann nur der Anbieter beurteilen.

Source: Reichelt.de, 11.11.21
- Die Entwicklung des Preises stimmt optimistisch. ;-) oder hi - 21.01.2023, Quelle: EReichelt
 
 Was tun? [16.11.21, mkn]  
 
- Im Wettkampf mit dem Beschaffungs-Management der großen Player und der kleineren, sehr kreativen, Reste-Aufkäufer
- Was sagen die Chip-Produzenten?
   Sehr traurige Aussichten oder sind es nur Platzhalter-Informationen?
- Was bietet ebay, AMAZON, ALIBABA und andere
- Sammelbestellungen bei den Distributoren
- Supply-Chain-Management
 
  Ein grosser Begriff, sicherlich im Rahmen der Projektgruppe der Nachbauer umsetzbar
  - Sammelbestellung
  - Tauschbörse, was ist verfügbar
  - Lieferkettenprobleme machen sich bemerkbar
AG00013_.gif (7874 Byte)
   
   
   
   
- Verfügbarkeit des MCP4725
 
 Bei der Suche  hilft OCTOPART  MCP4725

  -> MOUSER: MCP4725A1T-E/CH sind im Moment noch vorhanden[16.11.2021, mkn],
                   Adress-Anpassung für den I2C-Bus in der SW nötig, ist umsetzbar
                   MCP4725

  -> Alternative für den SMD-Spezialisten
      - erwerben eines Breakout-Boards MCP4725 und den IC zur Wiederverwendung auslöten
Hier eine Antwort von Microchip

Microchip Technology Inc. | World's Largest Inventory of Microchip Products (microchipdirect.com) -> MCP4725

16.11.2021
   
-(10 Stück) 100% Neue MCP4725A0T E/CH MCP4725A0T MCP4725 sot23 6 Chipsatz|Integrated Circuits| - AliExpress
No risk, no fun!
 - Update 0´4.04.2022 drastische Preiserhöhung bemerkt, nun 10 Stück für 56,13 Euro!!!
   
- Äquivalente Bauelemente
   
- Hardware und Software-Änderungen(Anpassungen)
   
- IC-Bauform DIL16 ->SMD
 
======================================================
 
- Aufbau

  - nehmen sie sich etwas Zeit, Bestückungsvarianten beachten und Baumappe ruhig lesen, nicht nur den
    Bestückungsplan und die Stückliste
  - auch Fußnoten beachten
  - die Stücklisten listen die verwendeten Bauelemente und die Reichelt-Liste dient u.a. der näheren
    Beschreibung und Definition der verwendeten Bauelemente, Basis für äquivalente Beschaffungsmassnahmen
  - die Kosten lassen sich durch alternativen Bezugsquellen reduzieren

 

- https://www.reichelt.de/my/1681111
 
- Bitte eine Liste anlegen und die Abweichungen der Bestückung dokumentieren.
  Dies ist auch wichtig und sehr hilfreich bei Supportanfragen.
 
 
- Bestückung der Leiterplatte
 
 - PCB V 1.0 
 
 
     Nicht zu bestücken sind: R14, R16, C14, C5 optional (im Schaltbild punktiert gezeichnet).

    Die Bestückung mit C11, R8, R11, optional (im Schaltbild punktiert gezeichnet) ist tolerierbar.
    Die Widerstände R22 und 23 werden nur bei OCXO mit Sinus-Ausgang bestückt. Für OCXO's mit HCMOS-Ausgang entfallen sie.
 
    Weitere Bestückungshinweise siehe Baumappe. 
   
- PCB rev2_37
 
     Nicht zu bestücken sind: R20, C5, C14, optional (im Schaltbild punktiert gezeichnet).

    Die Bestückung mit C11, R11, optional (im Schaltbild punktiert gezeichnet) ist tolerierbar. Einbau wird empfohlen.
    R11 ist wichtig bei Nutzung von PC2.

L2: 10uH Drossel aus DDR-Beständen, sorry eine Abweichung zur Baumappe
 
  - C9 Tantal Elko 22 μF nur im Rastermaß 5mm – die äußeren Lötpins -- bestücken.
       Der Lötpin in der Mitte (NC) ist nicht angeschlossen!
       Falls dennoch ein Elko mit 2,5mm Rastermaß in dem mittleren NC Pin eingesteckt wird,
       muss dieser mit einer Lötbrücke an den benachbarten freien Massepin angeschlossen werden.



 - Die Angelegenheit wurde mit Leiterplattenversion rev.2_37a gelöst.
Dies betrifft nur die Leiterplattenversion rev2_37!
 
  - C23, 100nF, nicht bestücken und Brücke einfügen! [31.01.2020, mkn]
      Ergebnis: Hierdurch erhält der Fan-Out-Buffer ein LVCMOS-Pegel gerechteres Signal am Clockeingang des IC2.

 

 - die Bestückungsmöglichkeit bleibt für andere Anwendungen vorerst bei weiteren Leiterplattenversionen erhalten
    Stand: 15.05.2021 bis Version 2_1
 
 
PCB rev 2.1 [12.04.21]
 
Bestückung Relais G6K-2P-Y DC5 Signalrelais, THD, 5 VDC, 1 A, 2 Wechsler Baumappe bis PCB v2.1, Stückliste 1681111 beachten!
RE1
Relais
OMRON G6K-2P-Y-5V (PCB Version 2.1_40) OMRON G6K-2P-5V (PCB 2_37)
 
   Weitere Bestückungshinweise siehe Baumappe bis PCB v2.1
 
PCB rev 2.2_43 [15.10.21]

- Aktualisierte Baumappe, Stückliste 1878636 beachten!
- Bestückung Relais, die Version von PCB rev 2_37 kommt wieder zum Einsatz, OMRON G6K-2P-5V (PCB 2_37)
- Stromversorgung: Trennung der Zweige zum NANO, GPS-Breakout Board und DAC MCP4725 (L5)
- Uc-Erfassung für den NANO ist nunmehr dem Messpunkt TP3 nach dem Relais zugeordnet
- C5 erhält eine veränderte Zuordnung und ist zu bestücken


AG00013_.gif (7874 Byte)

Weitere Bestückungshinweise siehe Baumappe




- Je nach der persönlichen Planung zu weiteren I2C-Devices
 - Bestückung des IC MCP4725
 
 
======================================================
 
 
- OCXO, genauer VC-OCXO oder auch OCVCXO
   


  Es muß ein VC-OCXO sein. VC: Voltage Controlled, spannungsgesteuerter Frequenzabgleich.

Achtung, im Netz werden mitunter OCXO's ohne Steuereingang angeboten, die sind nicht geeignet.

Ist eine Bestückung des OCXO's auf der Platine geplant, so sind die mechanischen Abmessungen und Pin-Belegungen zu beachten.
Den Abstand zwischen OCXO-Boden und Platine sichern, in der Regel durch eingelassene Glas-Kugeln realisiert.
  - Betriebsspannung des OCXO's +5V
Abweichende Betriebsspannungen des OCXO erfordern Veränderungen und die Zuführung einer geeigneten Betriebsspannung für den OCXO und eventuell auch Anpassungen bezüglich der Steuerspannung.

    - Abstimmspannung: "Slope Positive", die Frequenz erhöht sich mit ansteigender Abstimmspannung, ist gefordert

In der Regel kommen gebrauchte OCXO's zum Einsatz, das klappt auch meist, vorausgesetzt, dass deren Funktionalität noch vorhanden ist.
Die Abstimmkurve, Ausgangsfrequenz in Abhängigkeit der Steuerspannung, für den aufgeheizten OCXO aufnehmen.
Uc @ 10 MHz sollte bei + 2 Volt liegen(+/-1V).
Die Kennzeichnung der Uc @ 10 MHz auf dem OCXO empfiehlt sich.

Messung der Abstimmspannung mit dem DVM am TP3(PCB rev 2.37)

  - einige Informationen zu den getesteten VC-OCXO's
 
 - CTI           OSC5A2B02
 - NDK          ENE311B
 - Bliley         NV47A1282
 - ISOTEMP   OCXO 143-141


Tipp: Die Verwendung eines VC-OCXO mit HCMOS-Ausgang wird empfohlen!
       



CTI Uc



















 
- Achtung, die Genauigkeit des vorhandenen Frequenzzählers beachten!
   
 
======================================================
 
- Alternative Bauelemente

 -
Alternative Bauelemente-Bestückungen

 Die Schöpfer des simple-GPSDO und der Baumappe haben großen Wert auf Nachbausicherheit, bei gleichzeitiger Schaffung von ergänzenden Schnittstellen und optionalen Bestückungen für zukünftige Erweiterungen, gelegt.
Stücklisten und Bezugslisten präzisieren die Eigenschaften der Bauelemente, in der Hoffnung dem Nachbauer einer Leiterplatte den Aufbau der Schaltung damit zu erleichtern.

    Empfehlung: Die Schaltung mit den vorgeschlagenen Bauelementen aufbauen, einen preiswerten gebrauchten VC-OCXO kann man in CN via ebay oder auf anderen Verkaufsplattformen erwerben.

Selbstverständlich ist die Schaltung auch für neue VC-OCXO geeignet!
  
 Spielt der Aufbau der Schaltung, dann her mit den" sehr guten", alten und teuer erworbenen OCXO's der Vergangenheit, mit 12 bis 24 V Betriebsspannung, mitunter auch negativen Tuning-Slope und anderen Abstimmbereichen.
Entsprechende Anpassungen in Abhängigkeit der spezifischen Eigenschaften des gewählten OCXO sind vorzunehmen.

Wichtig, bitte den OCXO vor dem Einsatz(Einlöten auf der Leiterplatte) in der PLL ausmessen.

Werden die 10 MHz erst bei einer Uc > 5 Volt erreicht, dann könnte ein zusätzlicher OVP zur Anpassung der Steuerspannung das Problem lösen. -> G3RUH http://jrmiller.online/projects/ministd/dcamp.gif




  












 

MPE 115-1-036 Präz.-Buchsenleisten 2,54 mm, 1X36, gerade

Zur Bestückung der Buchsenstifte den jeweiligen OCXO-Typ als Lötadapter benutzen.
... OCXO,  Phasendiskriminator..., Teiler, wat weck muss! Über die Jahre sammelt sich so einiges in Kisten an.
     -
GPS-RX-Module
   
Bestückung, Wat weck muss!
Wörterbuch berlinisch a-h
Vokabeln für angehende Berliner by DW
https://www.dw.com/de/deutsch-lernen/berlinerisch/s-12462
   
- Spannungsregler 7805
 
 - Achtung, der Spannungsregler 7805 ist nicht geeignet, da abweichende Anschlussfolge, tnx an DL8RO für den Hinweis. Ist auch nicht vorgesehen!
 
   
   
-  CD74HCT7046AE
 
 
- Passt in die Fassung und identische Belegung, er funktioniert doch!
  -Wo ist der Unterschied zwischen einem CD74HCT7046AE und CD74HC7046AE?
   Im wesentlichen im Betriebsspannungsbereich und im Logikeingang Inhibit.  Letzterer wird wird durch den sGPSDO nicht genutzt.

- Ja, der CD74HCT7046AE ist im sGPSDO einsetzbar.
 

- Hinweis, die Datenblätter vergleichen.

- CD74HC7046A, CD74HCT7046A datasheet (Rev. C)
  - Phase-Locked Loop with VCO and Lock Detector
    - Der VCO wird in der Anwendung sGPSDO nicht verwendet.
    - Betriebsspannungsbereich
    - Inhibit-Eingang
Technical documentation  by TI
 
   
- 74HC14/CD74HC14 vs 74AC14
 
   
- Passt in die Fassung und identische Belegung, aber wo ist der Unterschied zwischen einem CD74HC14 und CD74AC14?   Es funktioniert doch!

- Hinweis die Datenblätter vergleichen.
- CD54HC14, CD74HC14, CD54HCT14, CD74HCT14 datasheet (Rev. F)
 
- CD74AC14 datasheet (Rev. B)

- Understanding Schmitt Triggers
   
Quelle: TI, sdyu001ab.pdf
 
   
Bezugsmöglichkeit des SN74AC14  
 
   - sn74ac14 in | eBay  Darisus GmbH    Status. 05.03.2022
 
   
   
======================================================
 
 
- Inbetriebnahme
 
 -> siehe Baumappe 
- Das Minimum an Messungen

- Multimeter, Oszillograph, Frequenzzähler, ...

- Eine "stabile" Ausgangsfrequenz  muss nicht synchronisiert sein, es funktioniert der Funkverkehr über QO-100....

 
======================================================
 
Fehlersuche
 
 Fehlersuche, wieso, es ist doch eine neue Platine.
Ja, leider passieren so einige Missgeschicke während der Bestückung der Platine und der Inbetriebnahme. In der Email steht dann lapidar: " Die Schaltung funktioniert nicht".
Jegliche Stresshormone werden beim Empfänger aktiviert und ausgeschüttet. Die Ferndiagnose startet.
 
 
- LED 1pps-Dauerblinken
 
- Immerhin das GPS-Modul hat einen ausreichenden Empfang und generiert 1 pps.
  1pps oder auch eine Schwingung mit einer Frequenz von 1 Hz.
- Je nach SW-Version sollte kurz nach dem Einschalten  des GPSDO die LED ein sichtbares Dauerlicht generieren.

- Fehlersuche:
1. serieller Monitor der IDE, wird das Setzen des Timepulses erfolgreich quittiert?
2. Ansteuerung des UART-Rx-Einganges des GPS-Breakout-Boards überprüfen
   - erfolgt Ansteuerung während des Einschaltprozesses? JA, dann zu 3.
3. Upload Serial-Bridge-NANO-sGPSDO
4. Start des ublox u-centers
5. Überprüfung der Hardware-Kennung
Tipp!

Überprüfen sie vor dem Einbau des GPS- Breakout-Boards die Startmeldung des GPS-Moduls.
 
- NEO-6M GPS Breakout Board

 - bestückt mit

  - original NEO-6M Modul

  - gefälschtes Neo-6M -Modul, gelabelt als Neo-6M
      - original ublox Chip G6
      - original ublox Chip G5
      - original ublox Chip G7

 
======================================================
   
- Display

  - die Software von F1CJN unterstützt ein vierzeiliges LCD-Display, 4*20 Zeichen
     - Anpassung an zweizeilige LCD-Displays ist ohne großen Aufwand möglich, 2*16 Zeichen
 
 
- Display ist Dunkel, keine Anzeige, ....

 - Back-Light-Regler auf der Rückseite des I2C-Interfaces 

Mein I2C-Display-Adapter geht nicht ...

  - Backlight
  - I2C Adresse Adresse 0x27, Adresse 0x27, ..
 
   
======================================================
   
- Display-Anzeige Uc springt
 
 Fehlerbild:
  - ständiges Hin- und Herspringen der Spannungsanzeige, 2,18 V, 1,89 V, 1,77 V, ...
  - Ausgangs-Frequenz ist instabil
  - PLL gelockt
 HW: PCB 1.0, 2_37
 Hinweis zur Bestückung: kein C11
 SW: Versionen mit Auswertung der Steuerspannung Uc
 TiP: 100 kHz
 Ursache: Der Kondensator C9, 22 uF, war nicht bestückt.
 Status: Nach Bestückung mit C9 ist die Spannungsanzeige stabil und der Fehler behoben.
 Fehlerkategorie: fehlerhafte Bestückung

 Anmerkung: Ist C11 bestückt, dann wird der Fehler nicht bemerkt, da in diesem Fall die Uc-Anzeige nicht schwankt!
 
 
   
======================================================
   
- Die PLL rastet nicht eín, warum nicht, das  ist zu klären
 
   - TiP: 100 kHz 
   
  - Wo wurde von der Bestückung laut Baumappe abgewichen?
Baumappe.
    C5 mit 4,7 nF oder 10 nF bestückt? Ist zu entfernen! C5 wird nicht bestückt.
 
  - Allgemeine Überprüfung der Betriebsspannungen, Stromaufnahmen und Pegel an den TP durchgeführt? 
 
 - Fehlerbild ...
  - OCXO: Uc @10 MHz bestimmt? -> x.xx V für 10 MHz
  - Frequenz-Teiler: Ausgangsfrequenz zum Phasendiskriminator messen. -> xxx.xxx kHz
  - GPS-RX: 1 pps-LED, Dauerlicht oder 1 Sekunden Takt?
  - TiP-Frequenz messen, -> ... kHz
 
  - Messen der Abstimmspannung Uc und der Frequenz in Abhängigkeit der Zeit nach Einschalten
    - Kaltstart
    - Warmstart

 

Prüfung: R10 entfernen. PLL rastet
Lösung: Dimensionierung des PLL-Filters anpassen

oder auf TiP: 1 kHz umrüsten!
 
 - OCXO mit sinusförmigen Ausgangssignal
   - Pegel bestimmen
   - Wird IC 74AC14 ausreichend angesteuert?
     - Pin 1
     - Pin 2
 
 
 
======================================================
   
- PLL funktioniert nicht, TiP wird nicht auf 100 kHz programmiert
 
 Fehlerbild:
  - hatte schon gespielt
  - NANO wurde mehrfach gewechselt
  - plötzlich blinkt die 1pps-LED nach dem Start im 1-Sekundentakt
 HW: PCB 1.0, 2_37
 SW: von Version unabhängig
 TiP:100 kHz
 Fehlersuche: Signalverfolgung des TX-Signales beim Setzen des NEO-6M-Modules, kein Signal am NEO-6M Rx,
 am J1 D3 des NANO liegt das Signal beim Setzen der Frequenz an
 Ursache: Kontaktprobleme am IC2a, Pin6, J1 D3
 Behebung: mit Stecknadel versucht die Kontaktfeder zur Mitte zu "biegen", Kontakt wieder hergestellt, der NEO-6M wird gesetzt.
 Status: TiP=100 kHz steht an, aber PLL rastet nicht. --> Fehlersuche geht weiter!
 Fehlerkategorie:
 - fehlerhaftes Bauelement?
   Buchsenleiste neuwertig, bezogen gemäß Stücklistenempfehlung
 - oder Flussmittel während der Lötung in die Buchsenleiste eingedrungen?
 
======================================================
   
- PLL funktioniert nicht
   
Fehlerbild:
  - hatte schon gespielt
  - PLL rastet nicht
  - 1-pps-LED des NEO-6M Dauerlicht
 HW: PCB 0.1, 2_37
 SW: von Version unabhängig
 TiP:100 kHz
 Fehlersuche: Signale an TP1 und TP2 geprüft, 100 kHz an TP2 fehlt, 100 kHz am NEO-6M vorhanden, Signalverfolgung auf PCB
 Ursache: Fehlbestückung des R4 mit 22 Ohm, anstatt der vorgesehenen 22 kOhm
 Behebung: 22 kOhm Bestückung vorgenommen
 Status: PLL rastet, Lock-Anzeige am Display ok, aber LOCK-LED OFF --> Fehlersuche geht weiter!
Fehlerkategorie:
 - fehlerhafte Bestückung
 
======================================================
   
- Lock-LED funktioniert nicht

Fehlerbild:
  - PLL rastet
  - Display LOCK OK
  - LED LOCK OFF
 HW: PCB V 1,0, 2_37
 SW: Versionen mit Lock-Auswertung und LOCK-LED
 TiP:100 kHz
Fehlersuche: Spannung am J1 D5=High, am R5(Pin8) Null Volt
Ursache: Kontaktprobleme am IC2a, Pin8, J1 D5
Behebung: mit Stecknadel versucht die Kontaktfeder zur Mitte zu "biegen", Kontakt wieder hergestellt, LED an K3 leuchtet
Status: Fehler behoben
Fehlerkategorie:
 - fehlerhaftes Bauelement?
   Buchsenleiste neuwertig, bezogen gemäß Stücklistenempfehlung
 - oder Flussmittel während der Lötung in die Buchsenleiste eingedrungen?
 
 
======================================================
   
- Woran kann ich erkennen ohne Display ob die PLL gelockt íst ?

 - Abstimmspannung Uc messen und mit Spannung @ 10 MHz vergleichen, Spannung muß stabil sein
 - IC1 Pin 1 High (Oszillograf)

 - verwenden sie die LOCK-LED


 

 
 
 
======================================================
   
 
- GPS-RX-Module, -Breakout-Boards

  - getestet wurden GPS-Rx-Breakout-Boards aus China, bestückt mit einem NEO-6M-Modul oder NEO-7M-Modul
    oder NEO-M8M(Mai 2021)
  - der Einsatz anderer GPS-Module ist möglich, Voraussetzung ist die Ausgabemöglichkeit einer Timepulse-Frequenz
    größer, gleich 1 kHz, evtl. müssen die SW-Routinen zum Setzen der Frequenz angepasst werden.
  - Startmeldung der GPS-RX auslesen
  - Fakes kommen immer wieder vor, es ist nicht immer ublox, nur weil das Label auf dem Modul klebt
  - eine Wareneingangskontrolle bei unsicheren Quellen ist angesagt, das Auslesen der Startmeldung ist hilfreich
  - bisher wurden einige Fake-Breakout-Boards mit "ublox NEO-6M" gelabelten Modulen festgestellt, bestückt mit
    Modulen die ublox Chips der 5. Generation enthielten. Dies waren sicherlich keine originale ublox-Module.
    Eine weitere Fake-Variante verwendet unter dem gelabelten Modul NEO-6M ein chinesischen GPS-Rx-Chip.
  - Es wurden aber auch Fake-Module unter NEO-6M geliefert, welche intern einen UBX-G7-Chip verwenden.
    Letzteren kann man trotz Fake-Zuordnung verwenden, hi.

- ublox Modul
- ublox Chip
 
 - u-blox NEO-6M GPS TTL Empfänger inkl. Antenne
   Artikel-Nr.: GY-GPS6MV2 angeboten by Berrybase  Berlin, 03.12.2020
    
    Abmessungen:
      Breakout Board mit NEO-6M-Modul: 36 X 26 X 5 mm
      Antenne: 25 X 25 X 9 mm

      4 Montagelöcher mit Ø 3 mm
 
 

 Testaufbau zur Überprüfung des GPS-Brakeout-Boards

Die Testschaltung ist schnell aufgebaut.


- USB-UART-TTL-Interface( 3V Ausgang)
- GPS-Brake-Outboard mit einem ublox NEO-6M, ... Module
- GPS-Patchantenne
- USB-Kabel als Verbindung zum PC
- aufgebaut und zusammengesteckt auf einem Breadboard, Steckboard
- 4 Dupont-Kabel, male-male
- Software ublox ucenter

- Auslesen der Startmeldung
 
===============================================================-------------
 
  - GPS NEO-7M Satellite Positioning 51 SCM MCU for Arduino STM32 Replace Neo-6M  ebay
      Abmessungen: 23 * 17 mm
 
  
  Fotos: DC5WW, Bearbeitung DL7UKM
 
 
Einsatz auf der Platine[DL7UKM]:

1. Ein Befestigungsloch, hier fixieren, extra Bohrung auf PCB anbringen.
2. Breakout Board verwendet offensichtlich einen LDO,  damit Speisung mit 5V möglich.
3. Buchsenleiste nicht bestücken und direkt verdrahten.
4. Wie sind die Abmessungen? --> 23 * 17 mm
5. Die Startmeldung des NEO auslesen? Ist ein G7 -Chip enthalten?  
6. Mit Dupont-Verbindungsdrähten könnte man den NEO-7 im sGPSDO testen.
Evtl. eine 5er Buchsenleiste vor die 4er Leiste einfügen.
Dabei auch den 1pps Anschluß einbeziehen.
Wäre ein zusätzliche Bestücksvariante.
Layoutarbeiten erforderlich.
Erprobung nötig.
Bedarf? Bei Bedarf bitte melden! -> dl7ukm at darc.de
Kosten und Zeit!!!
 
       
Test mit HUAWEI LEA6T-2 1pps Timing GPS module WD22UGRC
 
       
 
======================================================
   
- Lock, unLock und die Erwartungen des Einzelnen
 
  Look, mit einfachen Worten, die PLL hat den VCO(VC-OCXO) gefangen und führt diesen über die Regelung der Phasendifferenz( zwischen den beiden Eingangssignalen des Phasendiskriminators ExOR) auf die Endfrequenz. Zum Schluß bleibt eine Phasendifferenz.
  
   
 
- CD74HC7046A, CD74HCT7046A datasheet (Rev. C)
  - Phase-Locked Loop with VCO and Lock Detector
    - Der VCO wird in der Anwendung sGPSDO nicht verwendet.
CMOS Phase-Locked-Loop Applications Using the CD54/74HC/HCT4046A and CD54/74HC/HCT7046A
 
 
"The lock detector gives a HIGH level at pin 1 (LD) when the PLL is locked.

The lock detector capacitor must be connected between pin 15 (CLD) and pin 8 (Gnd).

For a frequency range of 100kHz to 10MHz, the lock detector capacitor should be 1000pF to 10pF, respectively."



-> Auswertung der Tabelle ergibt ungefähr 3,9 nF für TiP: 25 kHz


- Achtung, die Tabelle gilt strenggenommen nur für den PC2 (Frequenz-Phasen-Phasendiskriminator)

Quelle TI, CMOS Phase-Locked-Loop Applications Using the CD54/74HC/HCT4046A and CD54/74HC/HCT7046A, S. 14
 
TiP:   1 kHz     2,5 kHz      10 kHz        25 kHz          100 kHz
C6:  100 nF           nF         10 nF          3,9 nF*             1 nF    2,2 nF                (PC1)           * Erprobung steht aus. 04.12.20
      bis 150 nF 
 
  Achtung, Ziel ist die Anzeige der gelockten PLL, d.h. nicht dass die 10 MHz schon erreicht sind.

  Ja, die Lock-Anzeige ist noch nicht zufriedenstellend gelöst, hier enttäuscht der IC, hatten wir doch mehr erwartet oder haben wir
  eine falsche Erwartung?
  Lock bedeutet, dass die PLL den VCO unmittelbar steuert, der Übergang vom Capture-Bereich in den Hold-Bereich der PLL erfolgt ist.
  [Bitte nicht mit dem Holdover-Mode des GPSDO verwechseln.]

  Sind die Erwartungen unter unseren Bedingungen gerechtfertigt?

  Sobald die Abstimmspannung Uc nahezu zur Ruhe kommt, sollte Lock angezeigt werden und die Lock-LED leuchten.
 

  - Einfluss der Software auf die Auswertung und die Steuerung der LED LOCK
- Phasendifferenz zwischen den Vergleichssignalen "0 bis 180" Grad
- typisch um die 90 Grad, in Abhängigkeit der Abstimmspannung des VC-OCXO für 10 MHz
- ca 2,5 V ergibt 90 Grad

 Lock und PC2 
Phasendifferenz zwischen den Vergleichssignalen nahezu 0 Grad
   
´- Wann ist eigentlich die disziplinierte Frequenz erreicht?
   
    - PC1: die Phasenabweichung zwischen fcomp und fsin ist konstant (Ideal: 90 Grad)

       Die Konstanz des Phasenwinkels ist durch die Kurzzeitstabiltät der Vergleichssignale begrenzt!
   
- Lock der Frequenzen: Der Phasenunterschied zwischen beiden Signalen ist stabil!

  Angewendet auf die PLL: die Abstimmspannung  nähert sich der Uc@10MHz und ist stabil.
  Durch die tägliche Alterung des VC-OCXO verändert sich mit der Zeit die Abstimmspannung Uc@10MHz. Letzteres ist kein Problem
  da hier die PLL eingreift und die Frequenz nachregelt.
 
   
Quelle:  https://www.ti.com/lit/ds/symlink/cd74hc7046a.pdf

-> Funktionsbeschreibung [pdf]


Verwendet wird der Phasendiskriminator 1, ExOR, Pin 2.
Phasendiskriminator 1, ExOR

SIGIN= GPS-TiP
COMPIN= Ausgang der Teilerkette(100kHz, .., 1kHz)
PC1OUT= Ausgang des

VCOIN= Abstimmspannung nach dem PLL-Filter
   

- Stark vereinfachter Auszug aus dem Blockschaltbild
   des CD74HC7046

- die Frequenzen werden verglichen

- Wie hoch ist die Auflösung des Frequenzvergleiches

- Einfluss der Dead Zone

- Phasendifferenz um 0 Grad wird nicht erkannt

- PC2:
Die Lock Detector Schaltung liefert für SIGin ungefähr COMPin nur kurze Impulse hinter dem ODER-Gater, als Abbild der Phasendifferenz. ---> deltaPHI ungefähr Null

- PC1:
bei einer EFC@10MHz von 2,5 V ergibt sich eine Phasendifferenz von ca. 90 Grad.
Die Impulsbreite der Phasendifferenz streut je nach der EFC@10MHz des OCXO.

Abhilfe schafft die Umdimensionierung von C6.

Unterschiede zwischen neueren TI-ICs und NOS Philips SMD?

So sollte es sein, aber ...




VTH= Schwelle des Schmitt-Triggers
   
Das Diagramm gilt für einen Phasenunterschied von nahezu Null Grad!
























VTH= Schwelle des Schmitt-Triggers
   
- Anpassungen für die Nutzung des PC1
  - C6
  - ......
 
   
======================================================
- Umwandlungs-Preisfrage (Lösung)
  FUNKAMATEUR 2021 H.11, S. 847
  - RC-Glied wird durch ein symmetrisches Rechtecksignal gespeist
  - Ziel: Umwandlung der Rechteckspannung in eine Dreieckspannung
 
   
 
   
======================================================
 
- Anzeigegenauigkeit, Auflösung der Abstimmspannung
   
 
- ADC des NANO, Auflösung
  - verwendete Referenzspannung
  - Überprüfung mittels DVM
  - Korrektur der Spannungsanzeige in der SW
  - ...

UNI-T_UT_139C

Anzeige LCD-Display 1,76 1,77 V
UT 139C: 1,765 - 1,766 V am TP3
Messgenauigkeit des DVM

Quelle: Anleitung
 
 
 - Fehler??? Uc schwankt im Display, Zeit/Sekunden springen, Messung mit DVM an TP3, Spannung konstant?
 - Spannung am OVP-Ausgang???
  - Hardware
  - Software, Zeitproblem??
 
 
 
======================================================
 
 
- Temperaturmessung und Anpassung der Temperaturauflösung
 
 - ........ 
 - Genauigkeit der Messung und Auflösung
   - Was sagt das Datenblatt?
 


- DS18B20

" ±0.5°C Accuracy from -10°C to +85°C"

"The resolution of the temperature sensor is user-configurable to 9, 10, 11, or 12 bits,
  corresponding to increments of 0.5°C, 0.25°C, 0.125°C, and 0.0625°C, respectively.
  The default resolution at power-up is 12-bit."


Quelle: MAXIM


 
- UNI-T_UT_139C
  Temperaturmessung mit dem Zusatzadapter: -40 ... +1000°C / ±1,0% +3,  °C/°F umschaltbar
 
 
- Seltsamer Einfluß älterer DS18B20 oder unbekannter Herkunft

    - benötigen lange Zeiten zum Auslesen der Daten

 - Abhilfe: Reduktion der Temperaturauflösung

Fehler: SW , Zeit und Temperatur nur alle 3 Sekunden aktualisiert
    - Lösung: Resolution auf 10 bit gesetzt

 Test
 
- Temperatur-Anzeige im Display 850C

  - > Ursache: Verbindung zu VDD des DS18B20 unterbrochen
  - > Ursache: der DS18B20 ist defekt






   
- Verbindungskabel zum Temperatur-Sensor
 
PS 25/3G WS Platinen-Steckverbinder gerade, weiss, 3-polig

"PS 25/3G WS Platinen-Steckverbinder gerade, weiss, 3-polig 3-poliger, gerader Platinen-Steckverbinder, bestehend aus Stift-und Buchsenleiste, fest verdrahtet zum Aufbau flexibler Platinenverbindungen. Kabeltyp: AWG 24 (0,22mm²) für Platinenstärke bis 2,6 mm Kabellänge 0,25 m Quelle: Reichelt
Datenblatt

- Alternative Idee eines OM's [24.10.2021, mkn]

 - Messung der OCXO-Temperatur nicht benötigt
 - Der DS18B20 wird anstelle von K10 dort direkt eingelötet
 
 
 
======================================================
 
 
 

- Genauigkeit, Stabilität der Frequenz

 
- "Quartz Crystal Resonators and Oscillators for Frequency Control and Timing Applications", Rev. 8.5.3.6 (2007)
   by John R. Vig
 - https://www.ieee.li/pdf/viewgraphs/precision_frequency_generation.pdf
 
 - Bernd Neubig, DK1AG: Das große Quarzkochbuch, Kapitel 7 “Kurzzeitstablität“
 
    Ulrich Bangert DF6JB †     Über die Stabilität von Oszillatoren und Frequenznormalen
    - Ein Lektüre welche man, je nach Wissensstand oder Erkenntnisfortschritt, mehrfach lesen sollte! Dies erhöht das
      Verständnis deutlich und der Leser erschließt immer mehr die Zusammenhänge.


    - Aussagen zum GPSDO Design
 
 


 Quelle: Ulrich Bangert DF6JB †
 
  - Einflußgrößen
    - ublox Modul
    - gewählter OCXO, in der Regel gebrauchte, "gut" gealterte Modelle 
    - GPS-Antennenposition
    - Dimensionierung und Aufbau der PLL, hierbei sei auch die Notwendigkeit eines hochwertigen PCB-Layout erwähnt
 
 
  Bitte daran denken, wenn hier von 10 MHz gesprochen wird, so sprechen wir von 10.000.000,000 Hz und

   +/- der Kurzzeitstabilität des gewählten OCXO,
   +/- der TiP-Frequenz des GPS-RX,
   +/- der Funktion der PLL und dem Aufbau des gesamten Systemaufbaus
     und vergessen wir nicht
     +/- die Mess(un)genauigkeit des Frequenzzählers,
diese wird wieder bestimmt durch ihre eigenen internen oder externen Referenzen!

  Genauigkeit der Messung,
ist natürlich abhängig vom Ausrüstungsstandes des werten OM's oder dessen Zugriffsmöglichkeiten im Verein, Bekanntenkreis oder im QRL.
 10 MHz = 10*10    1 mHz = 10-3 Hz


-9
 0,1 ppb  = 10-10

   Genauigkeit auf 10 MHz angewandt
     10 Hz => 10-6
       1 Hz => 10-7
     0,1 Hz => 10-8
    
0,01 Hz => 10-9
  0,001 Hz => 10-10
      1 mHz => 10-10
    0,1 mHz => 10-11
    100 µHz => 10-11
 
- Wie genau soll es denn sein? Und was und wer sind genau?
 - Unser Projekt ist ein simple-GPSDO. Simple, aber recht genau und stabil ist dennoch unser Ziel.
 - .....
 
- Welch Frequenzzähler wird verwendet?

  - Begonnen habe ich mit einem Zähler Tscha 3-34
  - interne Referenz: OCXO 5 MHz
  - Fremdsynchronisation mit einer ULI-Referenz mit nachgeschaltetem Teiler zur Generierung von 5 MHz
  - Anzeige: 9 Stellen
  - Auflösung 0,1 Hz+-1LSB, bei einer Messzeit von 10 Sekunden
 
  - Jetzt verwende ich einen Frequenzzähler FA-2 von BG7TBL
    - Bezug via Ebay aus Deutschland
    - Klein aber fein, einmal Damen-Friseur kostet in der Regel mehr...
 
 
 
- Frequenz-Genauigkeit [11.11.2020,11Uhr11 und auch noch Martins-Tag, um 18 Uhr Dinner. Martins-Gans bei DL7UKN, mkn]
 
Lassen wir gleich zum Anfang die Katze aus dem Sack, es ist ein simple GPSDO, bitte nicht im Nachherein den Ersatz eines industriellen Gerätes erwarten. Und der zweite Ansatz ist nach wie vor, "bauen und  lernen".

Die Messung der Frequenz-Genauigkeit wird eine große Herausforderung, es muß eine bessere Referenz, Vergleichsfrequenz, her.
......

Aber was können wir erwarten von dem ublox NEO-6M, ein in die Jahre gekommenes Standardmodel für Navigationszwecke?

- Precision Timing and Reference Frequency by ublox
 
- GPS-based Timing by ublox, 2011

  Considerations with u-blox 6 GPS receivers, Application Note

"This document describes the time pulse feature for u-blox 6 modules and chipset designs.
Special attention is paid to timing and frequency applications using a u-blox 6 GPS receiver."

Und wie immer, der Teufel steckt im Detail, beschrieben werden die speziellen Eigenschaften des ublox LEA-6T Moduls.



- "A time dilution of precision less than 3 means high precision and a factor greater than 10 indicates low precision."
    -> evtl in der Software integrieren???

- Im Abschnitt 2.2  wird die Frequenzgenauigkeit bestimmt.
  Zuerst wird die mittlere Abweichung zur  Referenzfrequenz bestimmt.

  Ergebnis: "This results in a frequency accuracy of 6.2e-11 or 0.062 ppb."

 Was der NEO-6M kann, dass wissen wir immer noch nicht, aber er wird diese Genauigkeit nicht erreichen.
Zu mindestens haben wir nun einen Grenzwert. Eine Zehnerpotenz weniger, d.h. x exp-10, 
würde mir auch schon reichen, hi.

Messung: FA-2 mit externer Referenz GPSDO

-TBD...

- Allan Deviation ADEV  ... mit eigenen Messungen vergleichen








"4 Conclusions
The LEA-6T module provides two time pulse outputs which can be individually configured.
In conjunction with the Time Mode these outputs provide excellent long-term accuracy and stability for many timing and frequency applications.
However, short-term stability is limited because of jitter due to quantization or granularity of the time pulse.
For improved phase noise and holdover requirements an additional phase lock loop should be considered."

Genau dies tun wir mit unserer PLL des sGPSDO!

Timing GPS module WD22UGRC











Unter Verwendung des ublox u-center's kann eine Abschätzung der Frequenzgenauigkeit der CLOCK des GPS-RX abgerufen werden. 

31.05.21
Update entdeckt!



u-center version 21.02 Release Notes 29-Mar-2021
Document status



Oh, was ist drin in solch einem Modul?

 
- Kurzzeitstabilität der Frequenz
 
 Messtechnische Erfassung -> ADEV
 - sehr anspruchsvolle Zielstellung
 - die hardwaremäßigen Anforderungen

 
 - Auswahl des VC-OCXO
 - Angaben der ADEV in den Datenblatt
 -  
- Messung als indikative Bewertung, relative, hohe Ungenauigkeit
 - wie auch immer eine Orientierung ist gegeben
 - ...
 
- Messtechnische Erfassung der max. Frequenzabweichung in einer 3 stündigen Zeitspanne [17.12.20]
 
 Eine Messung zur Abschätzung der erreichten Stabilität, nicht Genauigkeit, des "10 MHz" -Signals.

Messgerät: Frequenzzähler BG7TBL FA-2, interner OCXO, freilaufend, ca. 9 999 999,993 Hz(-> Avg)

DUT: sGPSDO TiP 1 kHz, tau 100 Sekunden, PLL-Filter R9*C9 [R10, C10 nicht bestückt]
GPS-Antenne indoor, Fensterbrett, 8-11 SAT
Einlaufzeit: 2 Stunden
Messdauer: 3,21 Stunden
Einzelmessungen: 1 s
Anzahl der ausgewerteten Messungen 10303

Schwankungen werden in der Summe durch den freilaufenden OCXO des Zählers und den
sGPSDO(OCXO: CTI) bestimmt.
Die maximale P-P Abweichung von 4,5 mHz zeugt nicht nur von der Frequenz-Stabilität des internen OCXO, sondern ist auch ein Hinweis auf die zu vermutende bessere Stabilität des sGPSDO im Beobachtungszeitraum.

PS: Werde bei Gelegenheit den OCXO des Zählers um 6,3 mHz nach Oben ziehen, hi.
sGPSDO Stabilität
 
 
======================================================
 
 
- Bewertung der Signalqualität des 10-MHz-Ausgangssignals

 - Schnelltest: 43. Harmonische auf 430 MHz in USB abhören
   Rx= 430 MHz plus 1 kHz  
   Erwartet wird ein stabiler NF-Ton.
 
- Auswertung des QO-100 Empfangssignal

 
- LNB mit externer 25-MHz-Referenzfrequenz
 - 10 MHz werden für die Synchronisation des 25 MHz-Signals zur externen Einspeisung des LNB verwendet
 - Abhören der Bake
 - Durch die Vervielfachung der 25 MHz im LNB, mittels einer PLL, um den Faktor 390 und der Anbindung
   an den 10 MHz s-GPSDO, nochmals 2,5, ergibt sich ein gesamter Vervielfachungsfaktor von 975.
 - Der hohe Vervielfachungsgrad eröffnet eine exzellente Bewertungsmöglichkeit der 10-MHz-Signal-Qualität
   in Sachen Genauigkeit und Stabilität

 Fazit: mehrere User haben die Funktionalität bestätigt, sauberer Empfang der Baken und anderer Signal ist gegeben

Wie genau ist eigentlich die CW-Bake von QO-100?




QO-100 als 975-fache Spektrumlupe, hi, aber sehr gut.
 
AG00013_.gif (7874 Byte)
 Martin's, DM4iM, QO-100-"Messaufbau", besser QO-100-Empfangsstation

 
- >
Martin's s-GPSDO


Empfangsequipment

- SAT-Spiegel mit LNB
  SAT-Spiegel Durchmesser: 1,5 m
- Speiseweiche zum LNB mit externer Speisung 25-MHz für LNB-LO-PLL
   -S-GPSDO 25 MHz, VC-TCXO Connor Winfield, PCB: 1.0 plus 25-MHz-Erweiterungsboard, NEO-6M, TiP: 25 kHz
     Update 2021: der VC-TCXO wurde durch einen VC-OCXO ersetzt.
- RTL-SDR-USB Stick für 739 MHz, SW: SDR Console
  Achtung, der 28,8 MHz TCXO des spezifischen Sticks wurde durch eine Fremdeinspeisung von 28,8 MHz ersetzt.
  Die 28,8 MHz werden mit einem Si5351 erzeugt und durch einen 10-MHz-sGPSDO synchronisiert.

- s-GPSDO: 10 MHZ,VC-OCXO Bliley, PCB: 2.37
  - NEO-6M(mit einem ublox-G7-Chip im NEO-6M gelabelten Modul), TiP: 100 kHz

- Verteiler DF9NP


Auswertung der Frequenzstabilität und Genauigkeit der zwei sGPSDo's mit der SDR Console

- Das Gehör eines CW'isten

- https://www.sdr-radio.com/EsHail-2#TelemetryBeacon
 
  - Enable the Geostationary Beacon option
  - Select the beacon by clicking in the center of the beacon trace, the window on the left will display the offset
  - Enable offset compensation NEIN

  - .......




Screenshot: DM4iM

11.12.2020, SAT:12

- Offset
- Schwankung des Offsets
 
 
- Auswertung des QO-100 Sendesignales via Empfang des QO-100

 
- Untersucht wird der Einfluß des s-GPSDO, falls dieser zur Fremdsynchronisation eines Oszillatorbaustein
    des Transverters verwendet wird
  - SG Lab Transverter, 10 MHz Fremdsynchronisation der LO-PLL, 432 MHz werden auf 2400 MHz umgesetzt
    - Erprobung erfolgreich



Bewertung des Sendesignales auf dem QO-!00
 
Martin, DM4iM
 
- Sender auf 22 MHz
- SSB-Electronic-Transverter mit DF9NP-LO-PLL (102.5MHz) synchronisiert durch den 10 MHz-sGPSDO

  102,5 x 4 + 22 = 432 MHz
- SG Lab Transverter TR2300
   432 MHz werden auf 2400 MHz umgesetzt
   LO-PLL 1868 MHz
     10 MHz Fremdsynchronisation, angesteuert durch den 10 MHz-sGPSDO
   - Erprobung erfolgreich
 
 
 
======================================================
   
- Multivalente Verwendung der Platine


 - Verwendung als Hardware-Entwicklungs-Plattform für zukünftige Projekte
    Nutzung wesentlicher Komponenten für einen Versuchsaufbau
 
- ...
 - simple signal generator
 -
 
 - Normalfrequenz-Generator 10 MHz
   Bestückung: OCXO, 74AC14, Stromversorgung, Frequenzabgleich mittels R14
 
 
- Stationsuhr
  - GPS-Module, Arduino, LCD-Display, Stromversorgung
 
 
- Anwendungen
 - Normalfrequenz, Referenzfrequenz
   - REF-Speisung Spektrumanalyzer, Oszillograph(Synchronisation?), Transceiver, etc.
   - generell Baugruppen mit 10-MHz-Referenzfrequenz-Eingang
   -
 
- QO-100
 - 10 MHz Referenzfrequenz für 25-MHz-PLL zur externen Speisung des LNB
 - 10-MHz-Ref-Eingang für Tx-Up-Konverter 432 MHz-> 2,4 GHz
 
======================================================
 
 
- Ausgangssignal 10 MHz, K9, Rechteck, Ringing, Klingeln, Überschwingen

 - ....

 -
Ja, es ist normal und mit einem "guten" Oszillografen sichtbar
   - Nun worauf bezieht sich gut? So ist es, die Antwort generiert neue Fragen, hi
   - Mit meinem HAMEG HM 204-2, 20 MHz Oscilloscope, so die Gerätebezeichnung, sehe ich einen verschliffenen Rechteck-Impuls.
   Die Fourier-Analyse ersetzt die Rechteck-Impulse-Folge durch eine unendliche Reihe von zueinander harmonischen Sinus-Schwingungen.
 - Das gemessene Ringing ist eine angestoßene Schwingung durch Stromimpulse, parasitäre Induktivitäten und Kapazitäten sind vorhanden.

  Hat der Oszillograf eine Bandbreite von 100 -200 MHz so ist auch ein Klingeln nach den steilen Flanken zu erkennen.
 Hierzu als Beispiel das Video von Martin, DM4iM, auf seiner Homepage.
   "Martins GPSDO und Amsat Downconverter 10MHz, Martins GPSDO (Rechteck) ist eingerastet"

 ....



- HAMEG_FA_Messfehler_Tastkoepfe_DE.pdf (rohde-schwarz.com)
Messfehlerminimierung durch richtigen Einsatz von passenden Tastköpfen

Die Tücken passiver und aktiver Tastköpfe
- hf-praxis 6/2016 S. 54-58 by
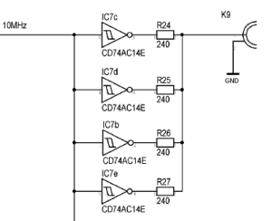
- Ausgangspegel 10 MHz, K9

s-GPSDO 01 DL7UKM
PCB V 1.0
Bestückung: R24, R25, R26, R27  : 240 Ohm, IC : SN74AC14N
Pout: xx dBm, gemessen mit FA-2, 50 Ohm, Genauigkeit +-0,5 dB
Anmerkung:
 - Evtl. ein erhöhter Messfehler durch Messung eines Rechtecksignales. Ein thermischer Leistungsmesser wäre genauer, aber würde alle Oberwellen mit erfassen.
 
- Ausgangspegel 10 MHz, K9

s-GPSDO 02 DL7UKM
PCB V 1.0, TiP=1 kHz
Bestückung: R24, R25, R26, R27: 200 Ohm, IC: SN74AC14N
Pout: 17,4 dBm, gemessen mit FA-2, 50 Ohm, Genauigkeit +-0,5 dB
Anmerkung:
 - Evtl. ein erhöhter Messfehler durch Messung eines Rechtecksignales. Ein thermischer Leistungsmesser wäre genauer, aber würde alle Oberwellen mit erfassen.

Upp= ca. 2,4 V mit Tastkopf P6100, HAMEG HM 204-2
 
- Ausgangsleistung K9, PCB v2.37, DJ8LC[06.02.2021, mkn]

- gemessen unter Zwischenschaltung eines Oberwellenfilters:

  10 MHz, 17,5 mW an 50 Ohm, d.h. 12,43 dBm, 935,4 mVrms, 1,323 Vpeak
   
 
- Ansteuerung des SN74AC14 [08.11.2020, mkn]
 
 - Fehlerbild: PLL rastet nicht, kein Ausgangssignal an K9, an Pin 2 kein Signal 

  - PCB: V1.0
  - Bestückung des OCXO mit MORION MV85 S/N: 8732
  - Spannungsteiler R22, R23 bestückt, da OCXO mit Sinuspegel
  - R22, R23: 22 kOhm
 
  - Ausgangssignal des OCXO @10 MHz: 0,8 Vpp, gemessen mit Tastkopf am TP4
  - Datenblatt des OCXO: Ausgangspegel >= 0 dBm ist erfüllt

  - Problem: der Pegel des MV85 ist nicht ausreichend für die Ansteuerung des SN74AC14N

AG00013_.gif (7874 Byte)

 - Status: steht auf ToDo-Liste für MV85

- Lösungsansätze: Verschiebung Arbeitspunkt, Übertrager

     --> - 74AC04 Residual Phase Noise Measurements by KE5FX
        - Breitbandtransformator für Pegelanhebung
        - DC-Arbeitspunkt

    "One drawback to the use of a 74AC04 as an amplifier is that it needs about 1.8 volts pk-pk to 'toggle',
     regardless of input frequency. At 50 ohms this is about +10 dBm. Instead of feeding the inverter directly
     from a 50-ohm source, it's helpful to use an 8:1 broadband transformer to supply some voltage gain."

  oder Schwingkreis nach Wenzel, G3RUH    -> Hierzu siehe Spannungstransformation, erfolgreich erprobt mit MV89A
  


Auszug aus Schaltbild PCB 2.37









 Hier die Lösung für einen OCXO MV89A, Uni-OCXO




 
 - Datenblatt SN74AC14 CD74AC14
   Understanding Schmitt Triggers by TI
74AC14 by TI
 
 - Utilize-Clipped-Sine-Waveform-in-Circuit-Design.pdf
 
74HC04
 
 - Waveform Conversion, Part I – Sine to Square by WENZEL
 
  - Bruce's precision time and frequency circuits, notes, references, and tips

    - Clock Shapers
 
 
======================================================
 
 
- PLL-Filter, Loop Filter, Schleifenfilter
 
- PLL Phasenregelschleife
- bestimmend für die  Eigenschaften des Regelkreises
- das PLL-Filter besteht im wesentlichem aus einem lead-lag-Glied: R9, R10 und C10
-> Kapitel 10 Frequenzsynthese by ZHAW, ASV, FS2008
- S. 18
  -> Fig. 10-22: Schleifenfilter (Loop Filter) für PLL 2. Ordnung   
- S. 19, Tipp: Als Daumenregel ....
- S.24 Anhang A3: PLL Berechnung für CD4046

Praktikum Frequenz Synthese PLL
  TLC2932 Phase-Locked-Loop Building Block With Analog Voltage-Controlled Oscillator and Phase Frequency Detector
- Was sind unsere Forderungen an die PLL?
 
  - Kurzzeitstabilität -> VC-OCXO
  - Genauigkeit        -> GPS-Rx
  - Beseitigung des Jitters des TiP des GPS-Rx
 
  - Beseitigung des Jitters der TiP-Frequenz, damit die Langzeitstabilität der GPS-TiP-Frequenz zum Tragen kommt.
    Es muß dafür gesorgt werden, dass der Jitter den OCXO nicht moduliert!
    Der Weg hierfür: PLL-Filter mit sehr niedriger Grenzfrequenz
  - Wie hoch ist der Jitter? Siehe Datenblatt des GPS-Rx.....  ublox NEO-6M
 
- Welche Angaben, Parameter sind uns bekannt?
AG00013_.gif (7874 Byte)
- Abstimmsteilheit des OCXO: 1Hz/V -> Ko=1 Hz/v oder Ko=6,28 rad/V


 - Die Abstimmsteilheit ist abhängig vom verwendeten OCXO!
Ein Mass für das Winkelmass
 der Radient, Einheit rad
 - Kreisumfang
 - 2 PI
- Π= 3,14159...
- Phasendiskriminator PhD PC1-> KD= Vcc/Π = 5 V/  Π
 
- K=Ko*KD=
- ωn=K/τ
- Teilerfaktor: 10 MHz/100 kHz= 100 -> N=100, 10 MHz/1 kHz= 10000 -> N=10000
 
   
======================================================
 
Erprobte PLL-Filter
   
- Einfluß der OCXO-Parameter
   - Uc@10MHz, speziell die Abweichung zur nominellen Frequenz eines fabrikneuen VC-OCXO
   - Steilheit der Abstimmspannung
 
   
   
Bitte auch die in der Baumappe vorgeschlagenen Werte beachten.
 
 
PCB 1.0, 2_37, TiP: 100 kHz, PC1, OCXO: CTI, ENE, Bliley, 10 MHz, Standardbestückung nach Baumappe v031

 
CD74HC7046AE -> C6= 1nF (BM v30 2,2nF)

- R9= 160 kOhm
- R10= 22 kOhm
- C10= 220 uF

- C9=   22 uF
- R15= 240 Ohm [PCB V 1.0: R11]
- C11= 1 uF Wima

 



 
PCB 1.0, TiP: 100 kHz, PC1, OCXO: OSC5A2B02, 10 MHz, Standardbestückung nach Baumappe v031

 
CD74HC7046AE -> C6= 1nF, noch 100 nF von TiP 1 kHz!
- R9= 160 kOhm
- R10= 22 kOhm
- C10= 220 uF

- C9=   22 uF
- R15= 240 Ohm0 Ohm [PCB V 1.0: R11]
- C11= 1 uF Wima

 



 
PCB 2_37, TiP: 100 kHz, PC1, OCXO: Bliley NV47A1282 , 10 MHz

 
CD74HC7046AE -> C6= 1nF

- R9= 162 kOhm
- R10= 15 kOhm
- C10= 220 uF

- C9=   22 uF
- R15= 240 Ohm
- C11= 1 uF Wima


Zeitkonstante=
stabiles Einrasten
QO-100-Rx ok, DM4iM
 
PCB rev1, TiP: 100 kHz, PC1, OCXO:OSC5A2B02, 10 MHz

 CD74HC7046AE -> C6= 1 nF

- R9= 33 kOhm ok, -> 100 k ok
- R10= 0 Ohm, d.h. "Kurzschluß-Brücke oder 0R" und nicht weglassen
- C10= 100 uF, Tantal

- C9= 0, das heisst diesmal weggelassen, nicht bestückt
- R11= 0 Ohm, PCB V 1.0
- C11= 1 uF Wima

- C5= nicht bestückt
EFC =1,896 V @10 MHz mit DVM am TP3 gemessen.
[Abgleich der Anzeige steht aus]

Zeitkonstante=R*C=3,3 s, 10 s
zügiges Einrasten
QO-100-Rx ok, DJ8LC

Regelzeitkonstante 3,3 s ist zu klein(!) oder ?

Es geht und wird erfolgreich zur Synchronisation von PLLs im Zusammenhang mit QO-100 genutzt.
- Umbau auf 1 kHz 1M 100u
 
DJ8LC
sGPSDO 10 MHz, TiP: 100 kHz, PCB rev2_37
OCXO: CTI EFC, Uc: 1,690 V @10MHz
PLL-Filter
- R9: 56 kOhm
- C9: 100 uF
- C11: 1 uF
R10, C10 nicht bestückt

09.05.2021
Display: 1,64 V  1,635-1,640 V

-> Umstieg auf TiP: 1kHz
 
 
Varianten mit  TiP=1 kHz
 
- Die Varianten mit  TiP=1 kHz stammen aus den Anfangszeiten des Projektes,
  da waren die nicht dokumentierten Eigenschaften des NEO-6M noch nicht bekannt.

  "Configurable Timepulse frequency range

    NEO-6G/Q/M/P/V                  NEO-6T
    0.25 Hz to 1 kHz              0.25 Hz to 10 MHz"

Source: Datenblatt ublox


- Was bestimmt die Einschränkung auf 1 kHz für den NEO-6M?

- Wer auf Sicherheit gehen möchte, so ein NEO-7M oder besser NEO-7N-Breakaout Board erwerben.
 
PCB 1.0, TiP: 1 kHz, PC1, OCXO: OSC5A2B02, 10 MHz

 CD74HC7046AE -> C6= 100 nF

- R9= 1 MOhm
- R10= 0 Ohm, d.h. "Kurzschluß-Brücke oder 0R" und nicht weglassen
- C10= 100 uF, Tantal

- C9= 0, das heisst diesmal weggelassen, nicht bestückt
- R11= 0 Ohm
- C11=  nicht bestückt

- Warmup und Einrasten > 25-30 Minuten



- Zeitkonstante=R*C=100 s
 
PCB 1.0, 2.37, TiP: 1 kHz, PC1, OCXO: CTI, ENE, Bliley, ISO143-141, 10 MHz

 CD74HC7046AE -> C6= 100 nF

- R9= 1 MOhm
- R10= 0 Ohm, d.h. "Kurzschluß-Brücke oder 0R" und nicht weglassen
- C10= 100 uF, Tantal

- C9= 0, das heisst diesmal weggelassen, nicht bestückt
- R15= 0 Ohm   R11 PCB V 1.0
- C11=  nicht bestückt

- Warmup und Einrasten > 25-30 Minuten

Zeitkonstante=R*C=100 s
 
PCB 2.2_43, TiP: 1 kHz, PC1, OCXO: CTI SNr: 160216, 10 MHz  [27.11.21]

 CD74HC7046AE -> C6= 100 nF

- R9= 165 kOhm [zwei 330 kOhm parallel]
- C9= 100 uF, Tantal

- R10 nicht bestückt
- C10 nicht bestückt

- R15= 240 Ohm 
- C11=  1 uF
Die bewährte Bestückung, eines anderen sGPSDO mit einem CTI-OCXO, mit R9=330 kOhm führt zu unstabilen Einrastverhalten oder zu keinem Einrasten der PLL.

Steilheit des OCXO
Uc
0,15 V-> -15 Hz bezogen auf 10 MHz
 2 V -> 10 MHz
Steilheit ca 15 Hz/(2 V - 0,15 V)=   8,1 xx Hz/V
Uc
4 V -> +15,5 Hz bezogen auf 10 MHz
Steilheit ca 15,5 Hz/(4 V - 2V)=   7,7 Hz/V

Lösung: Erhöhung der Grenzfrequenz des PLL-Filters durch
die Wahl von 165 kOhm für R9
   
 
PCB 1.0, 2.37, TiP: 1 kHz, PC1, OCXO: MORION MV89A, 10 MHz

Achtung
, separate Speisung des OCXO mit 12 V.
Der MV89A eignet sich auf Grund seiner Abmessungen nicht zur direkte Montage auf der Leiterplatte.
Abstimmbereich: 0 bis 5 V passt.

CD74HC7046AE -> C6= 100 nF

- R9= 1 MOhm
- R10= 0 Ohm, d.h. "Kurzschluß-Brücke oder 0R" und nicht weglassen
- C10= 100 uF, Tantal

- C9= 0, das heißt diesmal weggelassen, nicht bestückt
- R15= 0 Ohm
- C11=  nicht bestückt

Wichtig Ausgangspegel des OCXO überprüfen.



Zeitkonstante=R*C=100 s
 
PCB 1.0, TiP: 100 kHz, PC1, OCXO: OSC5A2B02, 10 MHz

 CD74HC7046AE -> C6= 1 nF

- R9= 1 MOhm
- R10= 0 Ohm, d.h. "Kurzschluß-Brücke oder 0R" und nicht weglassen
- C10= 100 uF, Tantal

- C9= 0, das heißt diesmal weggelassen, nicht bestückt
- R11= 0 Ohm
- C11=  nicht bestückt



Zeitkonstante=R*C=100 s
- Kein Einrasten aus Kaltstart,
- Starthilfe, aufgeheizter OCXO, C9 kurzzeitig
   kurzschliessen
, Uc beginnt bei Null Volt und steigt
  langsam an
- Einrasten nach Überschwingen
- Nicht geeignet für den normalen Betrieb.
 
PCB 1.0, TiP: 100 kHz, PC1, OCXO: CTI, 10 MHz

 CD74HC7046AE -> C6= 1 nF

- R9= 1 MOhm   1 MOhm//470 KOhm= 320 kOhm
- R10= 0 Ohm, d.h. "Kurzschluß-Brücke oder 0R" und nicht weglassen
- C10= 100 uF, Tantal

- C9= 0, das heißt diesmal weggelassen, nicht bestückt
- R15= 0 Ohm
- C11=  nicht bestückt


Zeitkonstante=R*C= 32s
Einrasten und Endfrequenz erreicht nach 20 Minuten ab Kaltstart

- nach mehrstündigen Betrieb ausgerastet, Uc bleibt bei größer 2 V hängen
   2 V hängen, Ursache  unbekannt
- Änderung 320 kOhm, 100 uF-> 32 s

Ursachen:
- Steilheit des verwendeten OCXO
- die PLL-Filterbandbreite ist zu niederig
 
PLL-Filter s-GPSDO 25 MHz
 
PCB 1.0, 25-MHz-Erweiterungsplatine, TiP: 25 kHz, PC1, DM4iM
 VC-TCXO T604-025.0M‎ Connor-Winfield, 25 MHz

  CD74HC7046AE -> C6= TBD

-
R9= 190 kOhm -> 120 k
- R10= 18 kOhm
- C10= 100 uF, Tantal

- C9= 10 uF
 
 Final Version on 17.Nov. 2020, DM4iM
 VC-TCXO T604-025.0M‎ Connor-Winfield, 25 MHz

 74HC7046 -> C6= TBD für TiP: 25kHz

-
R9= 130k//62 kOhm= 42 kOhm   [17.11.20]
- R10= 4,7 kOhm
- C10= 100 uF

- C9= 10 uF

Test, Erprobung by Martin, DM4iM

- stille Luft, kein Luftzug, Kappe, Abdeckung
- Einspeisung in LNB mit externer Speisung 25 MHz
- Auswertung mittels SDR-Console und RTL-SDR -Stick
 
======================================================
 
- Betriebsspannung s-GPSDO, PCB 1.0 und 2_37, 7,5 -9 V

 -
Höhere Betriebsspannung 12 V erwünscht, für den Portabelbetrieb
 - Parallelbetrieb zur Versorgungsspannung des Transceivers
 - ......

- ICOM IC-9700
  Stromversorgung 13,8 V +- 15%
  das ist immerhin ein Bereich von +15,87 V bis +11,73 V

- Schaltregler, zusätzliches Spektrum, Filterung, Schirmung

-> DC-DC-Wandler  DC-DC- Schaltregler

-> Vorwiderstand , Ib, Iwarmup
Verlustleistung des Spannungsreglers.
Pic-warmup=(Uin-5V)*Iwarmup=(7,5V-5V)*0,6A=1,5W
Pic-b=(Uin-5V)*Ib=(7,5V-5V)*0,35A=875mW
Ur=13,8V-7,5V= 6,3 V R=6,3/0,6=10,5 Ohm,

 - DC-DC-Wandler by Reichelt
   
   
- LM1085 IT-12 LDO-Spannungsregler, fest, 12 V, 3 A, TO-220-3  
======================================================
 
 
Zubehör
   
- Externe Stromversorgung, Speisung des s-GPSDO  
 
- Steckernetzteil SNT
 
  Ist keine Stromversorgung verfügbar
  - Anforderungen des SGPSDO an die Spannungsquelle
  - weiter Eingangsbereich für die Speisespannung, durch den Linearregler auf der Leiterplatte
  - Spannung, Strom, Verlustleistung
  - Strom: Spitzenstrom während der Einschaltphase des VC-OCXO, die Heizung startet, diesen Wert bestimmen sie durch
    eigene Messungen und Informationen aus dem Datenblatt des jeweils verwendeten OCXO
  - Stromaufnahme im Dauerbetrieb und eingesetzter Temperaturstabilität des OCXO
  - Display-Typ LCD, OLED, ... hat Einfluss auf die Gesamtstromaufnahme
  - z.B. OLED 1,3 inch, CTI OCXO SN0: 140439: 288mA [DL7UKM], Einschaltstrom: xx mA
  - Fanout-Board
  - Welche Zusatzboards sollen noch gespeist werden?

 





  - Nachhaltigkeit, Dauerbetrieb, Wirkungsgrad, Energiekosten Nachhaltigkeit by Wikipedia
 
- MW 3R15GS Universal-Schaltnetzteil, 18 W, 3 - 12 V, 1500 mA
  Spezifikation Anleitung
 - gewählt 7,5 V

--> Netzteil: Steckernetzteil MW 3R15GS
 
- Schaltnetzteil 9V DC, 2,25A mit Hohlstecker 5,5 x 2,1 mm eco friendly
   - goobay
   - Artikel: 54808 EAN: 4040849548086
   Made in China
   
 - Das SNT wird durch verschiedene Distributoren angeboten. Ein Preisvergleich im Internet bietet sich mitunter an.
 
 - bei Reichelt      für 15,40 € am 16.05.2021, 10:51 Uhr
    SNT 2250 9V Steckernetzteil, 20 W, 9 V, 2,25 A, stabilisiert

 - bei berrybase   für 12,10 € am 16.05.2021, 10:51 Uhr
 
 
Die Leiterplatte ist bestückt, ein Steckernetzteil liegt bereit und der nachfolgende Adapter ermöglicht eine schnelle Verbindung.
 
- CAM DC-GM Standard Adapter für Hohlsteckerbuchsen, gerade by Reichelt


- DC-Adapter (Buchse) mit Schraubklemmen, passend für Standard-DC-Stecker (5,5mm (Außen) / 2,1mm (Innen).

- Als Übergang vom Kabel K7 der Stromversorgung zum Hohlstecker des Schaltnetzteils


  Ähnliches wird u.a. auch durch POLLIN angeboten : Hohlstecker-Adapter DAYCOM A-HK5.5X2.1/SK
   
 
======================================================
 
 
   
"Abweichende" Bestückungen zur BauMappe(BM) sGPSDO, DL7UKM
   
  Es ist schon von Vorteil wenn man ein wenig für die Zukunft vorsorgt. Heute ist es sonnenklar und sofort parat, aber in einigen Wochen oder Jahren ist das heutige, aktuelle Wissen nicht mehr unverzüglich abrufbar. Also ran an eine kurze Kladde und die Abweichungen in der Bestückung gegenüber der Baumappe notiert.
Abweichende  Bestückungen dienen nicht nur der Nachhaltigkeit in Sachen der Verwendung vorhandener Ressourcen aus dem HAM-Bestand. Aber bitte vorher prüfen ob die Bauelemente geeignet sind.
- https://www.reichelt.de/my/1681111
 
- Die Zeit vergeht, muss man allen Verbesserungen folgen?
- never touch a running system!
 
 

sGPSDO No: 1, PCB 1.0, DL7UKM, Status: 12.12.2020

 
Gehäuse: Design-Karton, hi Umzug in ein DC5WW-Gehäuse am 12.02.2021
- aktuelle Entwicklungsplattform für sGPSDO mit 10 MHZ und 25 MHz-VC-OCXO, SW Stand: 12.02.20121 mkn
TiP: 100 kHz
Display: 4 zeiliges LCD
R20...R24: 240 Ohm
R11 1 MOhm
Drossel L2, L3, L4: 10 uH, RFT(POLLIN) "Induktivität 10 µH,10 %, 0,6 A, RM 10 mm, Länge Anschlussdrähte 30 mm."
Nicht bestückt:
- C5
- C14
- C23, gebrückt durch Zinnbrücke
 

sGPSDO No: 2, PCB 1.0, DL7UKM, Status: 14.12.2020

Von der Version PCB 1.0, gab es 10 Exemplare.
 
 
Gehäuse: DC5WW
TiP: 1 kHz
Display: 4 zeiliges LCD
R20...R23: 200 Ohm
R24: 240 Ohm wie in BM
Drossel L2, L3, L4: 10 uh, RFT
Nicht bestückt:
- C5, C14
- C23 entfernt und gebrückt
OCXO: CTI, Uc=1.776V@10MHz
   
 
sGPSDO No: 3, PCB 2_37, DL7UKM, Status: 26.02.2021, ...
   
Display: 4 zeiliges LCD
OCXO: CTI
Drossel L2, L4: 10 uh, RFT(POLLIN) "Induktivität 10 µH,10 %, 0,6 A, RM 10 mm, Länge Anschlussdrähte 30 mm."
R11: 1 MOhm
 
Nicht bestückt:
 - C5, C14
 - C23 entfernt und gebrückt
  - R23, R24
Tip: 100 kHz
- K9: Leerlauf  
Ub: 8,5 V
Ib:  Start: ca. 540 mA, Anstieg bis ca. 607 mA
Ib:  Nach Abschluß des Heizens des OCXO ca 340 mA
ΔIb: ca 4-5 mA, ist abzuklären
   
Messung am K12, Tip:1 kHz
- Stromaufnahme NANO, NEO-M8M, MCP4725 und blaues Display: ca 118 mA

  - ForcedHold: 124 mA
  - Backlight OFF: 85 mA

Stromzunahme für ForcedHold?
- Basisstrom T1
  ca. Ib=4,3 V/0,68 kOhm= 6,3 mA
-> R19 erhöhen!
 
 
======================================================
 
Warum noch ein simple-GPSDO?
 
Es gab doch schon so viele simple GPSDO's in den letzten Jahrzehnten, denken wir an G3RUH, W1GHZ, N1JEZ und die zahlreichen anderen OM's.
Warum dann ein weiterer GPSDO in der Liste?

- Wunsch nach einer stabilen Referenzfrequenz
- preiswert und nachbaubar für den Funkamateur
- die Verfügbarkeit preiswerter und dennoch leistungsfähiger Module wie
   - GPS-RX-Breakout Boards auf der Basis von ublox NEO-6M, Neo-7M Modulen oder Modulen mit ublox Chips G6 und G7
   - VC-OCXO's von den Elektronik-Schutthalden Chinas
   - Verfügbarkeit einer Leiterplatte
- DIY
- lesen & bauen & lernen
 Ja, das Lesen der Baumappe, Literaturstellen und Datenblätter sind wichtig und unumgängliche Bestandteile des Projektes.

 
 
 
======================================================
 
 
- To Do
 
  - Verbesserung Lock-Zustandsanzeige
  - Software-Implementierung der manuellen und automatischen Holdover-Funktion für PCB 2.37 - siehe Software
  - Messtechnische Erfassung der Parameter
  - Lokaler Meßaufbau zur Erfassung und Bewertung der Frequenzstabilität
     - Generator, Nutzung 3. Oberwelle
     - Empfang mittel modifiziertem LNB, ext. Referenz 25 MHz


  - Kennzeichnung der Buchsenleiste zum I2C-Interface LCD-Display, von K6 kommend, ein roter Farbtupfer für den Plusanschluß, TNX für den TiP an Heinz, DC5WW

  - Zeichnungen zum Gehäuse

  - Verdrahtungsplan PCB, externe Bauelemente
     - LED
     - Reset-Taster
     - Hohlbuchse
     - Verdrahtung zum Buffer
     - LCD-Verdrahtung
     - Temperatursensor
     - Ein/Aus-Schalter
     - Taster für K7
 
- Verwendung sGPSDO-Platine für andere Frequenzen
 
  - Was ist gewünscht und was ist vorhanden.
  - Welche Modifizierungen sind notwendig?
    - Anpassung TiP-Frequenz
    - Anpassung des Teilers
      Über Jumper anpassbar: 10:1, 100:1, 1000:1, PCB rev2_37, rev2_37a
 
 
- Kann ich einen VC-TCXO verwenden?
 
  - Ja, siehe 25-MHz-VC-TCXO-Module
 
   
- Ist die Bereitstellung eines 1pps-TiP möglich?
 
   Nein, mit dem NEO-6M und NEO-7M nicht, aber mit einem LEA-6T, aber Achtung einen mit zwei TiP-Ausgängen wählen, sollte es möglich sein.

   Häufig verbirgt sich hinter einem Aber meist mehr als nur ein Hindernis.
   ..............
    
   
======================================================
   
Mechanische Bauteile
 
-> Gehäuse

- Befestigungselemente für Leiterplatte

  www.horter.de  Schnellbefestigungen für Leiterplatten Details  online-Shop


- Achtung, den Platzbedarf beachten.
 
- LED 103 I GN LED, bedrahtet, 3 mm, grün, Innenrefl., Ø6 mm, 25 mcd, 70°
   - Datenblatt



- EBF I-3 Einbaufassung für 3 mm LEDs, Innenreflektor, chrom
  - ohne LED
LED 103 I GN Einbaufassung mit Innenreflektor, verchromt, fertig montiert mit grüner 3 mm LED.
Inkl. Unterlegscheibe und Mutter. Einbau-Ø: 6,0 mm Gesamthöhe: ca. 17 mm
Reflektorkopf -Ø: 7,0 mm
Reflektorkopf -Höhe: 3,0 mm Wellenlänge: 570nm grün Linse: diffus
 I(F): 12 mA U(Fmax): 2,0 V Abstrahlwinkel: 70°
Typ: Signallampe


- M3 Schrauben, 8 mm
- M3 Mutter
- Federring, 3 mm   SFR 3-100
- Distanzhülsen (Distanzbolzen), Metall, 6-Kant, M3, 10mm, Länge des Außengewindes: 6 mm        DA 10MM
  - Datenblatt

 
 
- Einbaubuchse für DC-Hohlstecker
   
  - Konstruktive Ausführung, Preis 
    Ein Vergleich der Datenblätter bietet sich an
 
- HEBL 21 Einbaubuchse Zentraleinbau, Ø außen: 5,6 mm, Ø innen: 2,1 mm
  - Datenblatt
 
- Einbaubuchse für Hohlstecker
  - Belastbarkeit: 2A / 48 V DC
  - Zentraleinbau, Ø außen: 5,6 mm, Ø innen: 2,1 mm   HEBLM 21
  - Datenblatt
 
 
- BNC-Einbaubuchse für Verbindung zu K9
   
  UG 1094U BNC-Einbaubuchse, Zentralbefestigung, Lötver.  
  - Datenblatt
  UG 290U BNC-Einbaubuchse, Flanschbefestigung  
  - Datenblatt Leider unvollständige Bemaßung!
   
- ON/OFF Schalter, Ein/Aus-Wipp-Schalter
 
   
- ON/OFF Schalter, Ein/Aus-Wipp-Schalter

   - SODIAL(R) 5 x AC 250V 3A 2 Pin ON/Off I/O SPST Snap in Mini Wippschalter
 
- Reset-Taster 
 
   
 - Verbindungskabel K6-I2C-Interface  (Aufbau-Variante im BAHAR-Gehäuse)

 - Länge über Alles. 105 mm
 - Markierung: rot, Vcc des I2C-Interfaces
   
======================================================  
   
 - PSK 254/5W
 - PSK-Kontakte
 - Flachbandleitung
 
   
 -  Ausschnitt zweizeiliges LCD-Display 24,4 * 71,1 mm 
 -  Ausschnitt vierzeiliges LCD-Display  *  mm 
 

- USB-HUB

 - UART-Interface
 - UART-NANO
 
 - 10 MHz BPF  zur Absenkung der Subharmonischen des MV89A und deren Oberwellen
    - 5 MHz
 
   
 BKL 10120666 Pfostenverbinder 2,54mm 2x3 by Reichelt  1,99 € [09.01.2021]

"BKL 10120666 Flachkabel mit 2 Pfostenverbindern 2x3-polig, Raster 2,54mm, H=11mm, schwarz, Flachbandkabel Raster 1,27 mm, AWG 28, grau"
Datenblatt
- Verbindungakabel zum 4fob
 
 - MCP4725 Breakout Board
 
- Strommessung
   - Breakout Board
   
 
- Direkte TiP-Programmierung des NEO-6M, NEO-7M

 - Backup Batterie für RAM Speicher
 - Programmierung EEPROM

 
- DL5MGD 5Hz/V 0,15 Hz Dämpfung 1,2, OCXO CTI
 
- JITTER ATTENUATION—CHOOSING THE RIGHT PHASE-LOCKED LOOP BANDWIDTH  by Silicon Labs
 
 
Tantal 22 uF
Cs= 9,96 uF, D= 3,37 , Q 2,96, ESR=0,53 Ohm 9,92uF , 100kHz, DCR---> 150 MOhm (?)
Cs0 22,2 uF , 120 Hz
PeakTech® 2170
 
WiMA 1 uF
Cs=1002 nF, D=0,023, Q=43,1 1001,5 nF, ESR=0,03 Ohm, Cs=1000,9 nF
- C11 ja oder nein???
  er tut nicht weh
 
Der Schalter und die Ohr-Regel
- EIN Oben Hinten Rechts
- Gilt sie auch für Wippen-Schalter?
 
======================================================
 
   
Befestigung NEO-6M Breakout Board

 

- Fixierung, Halterung durch vierpolige Steckverbindung

- zusätzlich DA 10MM Distanzhülse, Metall, 6-Kant, M3, Länge 10mm, Schlüsselweite: 5,0 mm
- Schraube M3
- Unterlegscheibe, Kunststoff  BN1074 M3
- Federring 3 mm, SFR 3-100
- Mutter M3
Reisser-Schraubentechnik GmbH
DIN 127 B3 Lock washer
 
- Fixierung mit M3: Schraubenkopf nahe an der LED, dem Widerstand am 1 pps-Ausgang, hier wenn verfügbar M2,5 Schrauben mit der entsprechenden Distanzhülse oder Bolzen einsetzen
-
-
-
- Befestigung GPS-Breakout-Board
 - Buchsenleiste und eine Distanzhülse

- M3 Schrauben, 8 mm
--------------- Breakout-Board GPS-Rx
- Distanzhülsen (Distanzbolzen), Metall, 6-Kant, M3, 10mm, Länge des Außengewindes: 6 mm        DA 10MM
  - Datenblatt
--------------- PCB
- Isolierscheibe
- Federring, 3 mm   SFR 3-100
- M3 Mutter
 
 
NANO Buchsenleiste
- 310-87-115-41-001101 Preci-Dip | Steckverbinder, Verbindungen | DigiKey
  geeignet???
   
   
 
 
======================================================
 
 
- sGPSDO 10 MHz, TiP:25 kHz, Teiler für 100 kHz gesetzt, PLL rastet, da PhD auf Harmonische anspricht 09.01.2021
Ursache: NANO wurde mit einer Software geladen, welche eine TiP 25 kHz vorsieht,
Anzeige im Startbildschirm nicht beachtet
Fazit: es geht doch, obwohl nicht aufgesetzt wie angedacht....
 
 
======================================================
 
simple GPS-Antenna-Splitter [09.01.2021, mkn]

- eine Aktiv-Antenne soll zwei GPSDO versorgen
- aktive Patch-Antenne
- einfache RF-Parallelschaltung der GPS-RX
- die Speisung erfolgt durch einen der GPS-Rx
- "T-Stück", ein Abzweig über Kondensator, möglichst mit Serienresonanz bei 1575.42 MHz
- Drossel mit Eigenfrequenz um 1575,42 MHz und Widerstand als Phantomsignal für den zweiten GPS-Rx "Antenne vorhanden"


- der GPS-Rx1 speist die Antenne
- simple HF-seitige Parallelschaltung beider GPS-RX-Eingänge
- DC seitig entkoppelt durch einen Kondensator C1 für GPS-Rx2
- Achtung, dem GPS-Rx2 die Antenne vorgaukeln! R L 8,5 mA ....
   
 
- Datenblatt NEO-6

- Hardware Integration

" u-blox 6 modules receive L1 band signals from GPS and GALILEO satellites at a nominal frequency of
1575.42 MHz."
u-blox 6 Technology supports short circuit protection of the active antenna and an active antenna supervisor
circuit (open and short circuit detection). For further information refer to Section 2.6.2).
Status reporting
At startup and on every change of the antenna supervisor configuration the u-blox 6 GPS/GALILEO module will
output a NMEA ($GPTXT) or UBX (INF-NOTICE) message with the internal status of the antenna supervisor
(disabled, short detection only, enabled).
----> S.49
NEO-6 and MAX-6 modules do not provide the antenna bias voltage for active antennas on the RF_IN pin. It is
therefore necessary to provide this voltage outside the module via an inductor L as indicated in Figure 48. u-blox
recommends using an inductor from Murata (LQG15HS27NJ02). Alt

2.6.8 External active antenna control (NEO-6) S.52













DATASHEET_LQG15HN_0402.pdf (cdn-reichelt.de)
 
- L-0805AS 56N SMD-Induktivität, 0805, Keramik, 56 nH
 
   
======================================================
   
 
   
   
 
AW 122/20 IC-Adapterleiste, 20-polig, einreihig, RM 2,54
 
 
SMD-Vielschichtkondensator G1206 - 22µF 10V 22 uf    X7R-G1206 22/10  hat kein EInfluß ,-(
 
- JJ00AA in der Anzeige beim Start
- Überprüfung  des NEO Moduls: kommt überhaut der 1pps
 
- Benötige auch den 1 pps
- kann ich den durch Teilung generieren -> Nein, falls die Zeitflanke ausgewertet werden soll.
 
- der OCXO vom Schrottplatz schafft Nachhaltigkeit und Broterwerb in CN
 
- Zugang zum USB-Anschluß
   
 
   
   
======================================================  
 
USB 2.0 Kabel, A Stecker auf Mini B Stecker, 1,8 m Ak 673-AW  1,60  € [Stand: 16.05.21, 11:59 Uhr]

- Datenblatt
- USB 2.0 Hi-Speed Kabel A Stecker, Mini B Stecker 90° Winkel schwarz   1,12 € [Stand: 16.05.21, 11:59 Uhr]

- USB2.0-Kabel mit A-Stecker auf 5-pol. USB-Mini-Stecker abgewinkelt 90° (Stecker: 3 x 7 mm). mini usb
- goobay 93971
   Artikel: 93971 EAN: 4040849939716


Achtung, PCB nicht mittig, sondern etwas versetzt im BAHAR-Gehäuse montieren, damit der Zugang des Mini B Steckers gewährt ist.
Abstand zur linken Seite  > 15mm, 17 mm








USB-Buchse auf der Rückseite anbringen?

AG00013_.gif (7874 Byte)
 
   
 
======================================================
 
 
 
- Distanzbolzen Kunststoff für Befestigung LCD-Display, 6 kantig, 10 mm, 6 mm, M3 Länge 8 mm
 
- Unterlegscheibe 3,2 mm DM,  SKU 3,2-100 Federring SFR 3-100 Mutter M3
   
- Frontplatte Montage LCD bevor Die Frontplatte an der unteren Halbschale befestigt wird
 
- K9 RF-Kabel 3 mm 50 mm Innen-Innen SMA-m SMA-f-Buchse Gewinde-länge 8 mm, gesamt  11 mm
 
   
======================================================  
 
- Befestigung des Temperatursensors am Gehäuse des OCXO
 
 - optionale Verwendung eines Temperatursensor
 - Was wird gemessen?
 - Messort?
  
OM Heinz, DC5WW, is using UHU PLUS endfest, two components glue.  
UHU Plus Endfest takes 24 hours to harden.
Before doing this, clean the joint from the grease with alcohol.
Please find attached some additional information.

https://www.uhu.de/de/produkt/plus-endfest/63251
https://www.uhu.fr/
https://www.uhu.com/en/product-page/epoxy-ultra-strong/63251

Foto: DC5WW
 
-
 
 
======================================================
 
- Rechteck, alles Sinus und nun?
 

  - Hat mein Oszi Recht?
  - HAMEG 20 MHz Oscilloscope HM204-2
  - Bandbreite, wieder einmal das Handbuch aufschlagen
  - In den technischen Daten steht geschrieben:
     Vertikal-Verstärker (Y)
     Frequenzbereich: 0 bis 20 MHz (-3dB), 0-28 MHZ (-6dB)
     Anstiegszeit: 17,5 ns. Überschwingen: max. 1%
 
======================================================
 
 
   GPS-Antenne 
 
  - den Breakout Boards beigefügte Patchantennen 

  - Nutzung als externe Antenne
     Austausch des Speisekabels
    
  - externe, aktive  Empfangsantenne wird empfohlen, siehe auch Baumappe
 
  Aufbau und Installationsort der Antenne 

  Ideal: freie rundum Sicht zum Himmel über der Antenne
   woher kommen die GPS-SAT-Signale
   Richtstrahler oder Rundumstrahler
 - Reflektionen, Mehrwege-Empfang führt zur Verminderung der Genauigkeit 
 - die Antenne auf der Fensterbank
 - Gewinnsteigerung durch ein Ground Plate 
 
   
 
======================================================
 
LCD 2004 Blau HD44780 I2C Interface Display Anzeige LCD 2004 Blau HD44780 I2C Interface Display Anzeige Bildschirm Arduino Raspberry | eBay
 - oder auch Grün, eine Frage des Geschmacks
 
 
======================================================
 
- Buchsenleiste für K11

  MPE 094-1-006 Buchsenleisten 2,54 mm, 1X06, gerade



- Buchsenleiste für K13

  MPE 094-1-003 Buchsenleisten 2,54 mm, 1X03, gerade

- 74HC 4046 Phase-Locked-Loop, with VCO, 3 ... 6 V, DIL-16
  TEXAS INSTRUMENTS, Artikelnummer des Herstellers SN74HC4046N
   
 
   
======================================================  
 
Warenkorb Berrybase Entwurf

- Warenkorb | BerryBase  

- Achtung ohne Gewähr, Überschneidungen mit dem Warenkorb der Baumappe beachten. die Auswahl und Stückzahl
   ist selbstständig anzupassen.
 
- Vergleichen sie die Angebot der verschiedenen Anbieter, es lohnt sich!
 
 
- Dremec engl für Internet.indd (berrybase.de) Distanzbolzen
 
- GPS-Antennen
   
======================================================
   
 
- HF-Einstrahlfestigkeit testen
 

- Nähe des Stations-Equipment
- der brutale Handfunksprecher
- das Smartphone
- etc.
- Netzeinstrahlung
- Gehäusegestaltung
- Erdung
 
 
======================================================
 
Das Beste kommt zum Schluß
nach dem Motto 'das Beste kommt zum Schluss'
 
- Fazit des Ganzen
 
- Spass, Lernen und neue Ideen
   
   
   
- Kosten  
   
- Folgeprojekte
   
- Zufriedenheit und Nachhaltigkeit, neue Freunde gewonnen, gemeinsam macht es mehr Spass und ist mitunter auch effektiver
 
======================================================
 
Bauelemente
 
- 06H-85 Breitbanddrosselspule 0,85kOhm  Datenblatt
Wide Band Chockes and Beads by FASTRON
 
   
======================================================  
 
Bestückung IC1 mit SMD-Ausführung des 74HC7046
 
- Adapterplatine SO-16 auf DIL 16
   
  74HC7046AD
   PHILIPS NOS Ware
 IC-Adapter by DL4ZAO
 SMD-Übergang auf DIL16

 Evtl. auch als temporäre Lösung denkbar, bis ein CD74HC7046 in DIL16 verfügbar ist.
-
   
 
   
======================================================  
 
- Erweiterung One-Wire-Bus für PCB rev 2,37
   
- Verwendung: zweiter Temperatursensor
 
- PS 25/3G WS Platinensteckverbinder gerade, weiss, 3-polig PS 25/3U W PS-Unterteil, 3-pol, gerade, weiß
Datenblatt
- Lochrasterplatine
   
   
   
======================================================  
 
Nutzung und Anpassung an die eigene Geräte-Umgebung

- Interface 10 MHz- 5 MHz, Referenz für Zähler
  - Frequenzteiler plus Trennstufe 
   
======================================================  
 
   
- Umwidmung der Nutzung des Pfosten-Steckers K8
AG00013_.gif (7874 Byte)
   
   
 - Mittels zweier 2-poliger Platinensteckverbinder werden die 10-MHz-Signale einem externen Verteilverstärker und einem
    Verfünffacher-Module (5-MHz-25 MHz) zugeführt.

 
   
- PS 25/2G WS Platinensteckverbinder gerade, weiss, 2-polig
   
- K8, R 28, L6, C 23, C 26 nicht bestückt
 
- Neu: Ausgang zum Verteilverstärker mit eigener Stromversorungszuführung
          rechte Teil des Pfostenstecker
- Neu: Ausgang K9, nunmehr nur durch 3 Gatter IC7x bedient,  R  nicht bestückt und die verbliebenen R , R  und R zu je 200 Ohm bestückt
- Ausgangspegel K9 an 50 Ohm= 14,5 mW, gemessen nach einem 10-MHz-Tiefpass
 
   
======================================================  
 
 - Umwidmung der Nutzung des Pfosten-Steckers K3
 
   
-Neu: Nutzung des K3 als Anschlusspunkt für einen  Schalter zum Abschalten des Backlights.
SW für zweizeiliges Display modifiziert
 
- Hintergrund: eine LED-Lock-Anzeige  wird nicht benötigt, da die Anzeige der Uc wesentlich aussagefähiger ist.  
- R5 wird nicht bestückt  
- Anschluss 2 des nichtbestücktem R5 wird für einen 1 kOhm Widerstand verwendet, welcher zu K11, D8 führt.  
-  
- grünes LCD-Display, Backlight OFF, Anzeige weiterhin "erkennbar"!
   
Erweiterung readme-file auf Homepage setzen, Bilder Anzeige, Erläuterung der Anzeige  
   
- Anzeige hDoP
- OCXO -Vorheizzeit
 - 1 pps   
   
- Adapter K11 D7, 1 kOhm  
   
- Erweiterungsmodul
  - 40-MHz-OCXO, AT-Schnitt
  - Ausgänge:
    - 40 MHz
    - 10 MHz
    -  5 MHz
 
   
======================================================  
   
   
- Anpassung der Vcc-Versorgung des GPS-Moduls für PCB_2_37 an den aktuellen Stand von PCB 2.2_43
 
   
 - Ziel: Nutzung der Abschaltbarkeit des Arduino NANO, einschließlich des LCD-Displays
 - Test: Haben der Arduino und das Display Einfluss auf die Signalqualität des 10-MHz-Signals?
 
   
   
   
- externes 10-MHz-Tiefpass-Filter  
- RF-Splitter 10 MHz  
- externe Dämpfungsglieder  
- Externer Zusatz Comb Generator  
   
- Ansteuerung Si5351[Breakoutboard mit 3 Ausgängen), Adress-Konflikt mit dem MCP4725, welcher auf der Leiterplatte die Adresse 0x60 nutzt! ---> Siehe hierzu auch hier.
   
======================================================  
   
   
- Bauelemente-Beschaffung  mittels Sammelbestellung bei Distributoren
   
- Aufteilung der Versandkosten auf die Teilnehmer
  - wertmässig oder einfach geteilt durch Teilnehmeranzahl
 
   

 die Krux mit den Versandkosten

- Distributoren hohe Versandkosten, falls die Mindestbestellwert nicht erreicht, durchaus eine 
  Schwelle für den Einzelnen

  Digi-Key
  Mouser



Digi-Key
"Zahlung in EUR
Kostenlose Lieferung nach Deutschland für Bestellungen im Wert von 50 EUR oder mehr. Für Bestellungen im Wert von unter 50 EUR werden Versandkosten in Höhe von 18 EUR berechnet."

Mouser
"KOSTENLOSER VERSAND bei den meisten Bestellungen über 50 EUR oder 60 USD"
- Bestelleingänge, Zusammenfassung, Erstellung des Warenkorbs
  Abwicklung der Bestellung, Bezahlung

  Das  Erwachen kommt beim Verteilen der Ware auf die verschiedenen OM's.
  Das Sortieren der IC's geht ja noch, kritischer wird es bei der Aufteilung passiver BE und der Sonderwünsche.
  Danach Eintüten, Beschriften und Versandart abstimmen.
  Ab ins Auto und zur örtlichen Poststelle befahren.

  In der Regel macht sich die Erziehung durch SATURN "Geiz ist geil" bemerkbar.
  Von einigen wenigen Amateuren abgesehen wird auf den Cent genau überwiesen.
  Man ist schon zufrieden, wenn der Betrag als Freund eingeht und nicht Besuche bei der Bank erforderlich werden.

 Und dann folgt die spannendste Zeit die Zustellung der Briefe oder Päckchen durch den gewählten Dienstleister. Billig bietet keine
 Verfolgung der Zustellung. Glücklicherweise sind die Verluste sehr niedrig und als eine Sendung im Nachbarort zugestellt wurde,
 meldete sich die Empfängerin bei der richtigen Anschrift.

 Versuchen sie es selbst und sparen 18 Euro, hi.

Ein wenig Satire muss sein!
   
======================================================  
   

- Verwendung eines VC-OCXO mit einer 12-V-Betriebsspannung

 
   
 - Zusatzplatine: Spannungsregler 12 V Ausgangsspannung   
 - Kopplung mit UniOCXO 
  
   - Verwendung von 12 V für den s-GPSDO(ohne OCXO-Bestückung)
      K7 mit 12 Volt vom  UniOCXO  kommend
UniOCXO der VC-OCXO wird als Teil des s-GPSDO nunmehr durch die PLL mit GPS-Rx-Referenz diszipliniert.

Ok, in diesem Aufbau besteht ein immenser Platzbedarf durch die zwei Platinen.
   
   
sGPSDO  
   
Übernahme der DCin: +12V  von K7, VCC Out  
   
- LD1085adj Datasheet

- LD1085 - 3 A low drop positive voltage regulator:
                adjustable and fixed

             - STMicroelectronics
   
Versorgungsspannung DCin: +15V  
   
======================================================  
   
Änderung R19 [07.01.22, mkn]
   
- R19 RE1, BC337-25




   
- RE1: OMRON G6K-2P-5V
- G6K-2P 5V Subminiaturrelais, 2x UM, 125VAC/60V 1A, 5V
   Datenblatt



- U = 5V
- I = 21,1 mA
- Rw= 237 Ohm, Wicklungswiderstand der Relais-Spule
 
   
- T1: BC 337-25: Bipolartransistor, NPN, 45V, 0,8A, 0,625W, TO-92 bei reichelt elektronik
        Datenblatt
 
   
 
DC Current Gain
- für Ic=100 mA und Vce=1 V
- Group 25: 160-400
 
   
PCB 2_37mod  
- Vcc= 5,003 V
- U_NANO= 4,995 V

- D6HIGH= 4,879 V
- T1: UBE= 0,768 V
        UCE= 0,014 V
- R19= 680 Ohm
 
Berechnung R19  
 R= (4,879 -0,768) / 21,1/160 = 31,2 kOhm

ß= 160 -> 31,173 kOhm
10 fache Übersteuerung -> 3,117 kOhm
5 fache Übersteuerung -> 6,234 kOhm

Gewählt: 4,7 kOhm
 
   
In der aktuellen BM werden 2,4 kOhm verwendet.  
   
======================================================  
   
Ausführung K9 in Abhängigkeit der persönlichen Umsetzung des Projektes
 
- Einbau der Platine, geplante Verdrahtung, direkte Nutzung mit Geräte-Rückseite
 
   
- SMA Buchse, 90°, PCB

- Einbaulängen beachten!
 
--> Bezugsmöglichkeiten via Makershops, Ebay, Alibaba, etc. checken!
- SMA-Steckverbinder, Buchse, Print --> Bezugsmöglichkeiten via Makershops, Ebay, Alibaba, etc. checken!
   
======================================================  
   
Jupiter-Modul TU30-D440-021
AG00013_.gif (7874 Byte)
- Lohnt es sich?
- Ja, es liegt im NOS-Lager, aber Alles hat seine Zeit.
- Hardware-Anpassung
- Software-Anpassung
 
   
- 10-kHz-Signal
- 1 pps
 
- GPS-Lock  
   
   
   
======================================================  
- ARDUINO NANO V3

 - Schaltbild
 - Stecker
 - Buchsenleiste 2,54 mm, 2X03, gerade  MPE 094-2-006 Datenblatt
 
   
- Buchsenleiste 2,54 mm, 1X07, gerade   MPE 094-1-007

  Verwendung für K11
 
   
   
======================================================  
   
- Wer speist den Arduino NANO?

   Oder der Wettkampf zweier Spannungsquellen, falls der USB-Anschluß des NANO angeschlossen ist.
 
 
 - Stromversorgung
  - Regler
  - 5 V
  - USB 5V, Toleranz

  Der Entscheider, Diode xx, wer bietet mehr?
  Im regulären Betrieb die USB-Verbindung unterbrechen?
  Ja, falls der Serielle Monitor nicht benötigt wird.
 
 
   
   
   
======================================================  
   
- Passive 2 Way Splitter  
   
- Bausatz Breitband Splitter/Combiner entwickelt von DC8RI beim FUNKAMATEUR Onlineshop

  Anwendung: Aufteilung des Ausgangssignales des s-GPSDO am K9

  Einfügedämpfung ca. 3,2 dB
  Ausgangssignal:  dBm
 
   
   
======================================================  
   
- Some GPSDO Performance Comparisons  by http://www.ke5fx.com  
   
======================================================  
Stromversorgung
 
   
Wo ist die übliche Diode oder da ist ein Fehler?  
   
- Nein, alles ist gut oder wer mehr wissen möchte lese nach bei TI.  
   
Quelle: TI Datenblatt Spruch der xyl:
Wer lesen kann, ist im Vorteil.
   
   
======================================================  
   
- Dauerlauf des GPSDO, OCXO und nun fällt die DC-Speisung aus?
   
- Batterie  
   
   
- Nun lassen wir die Kirche im Dorf!

  - Ja, im Nachherein kommen so manche neue Ideen. Warum auch nicht, und jeder so wie er möchte.
     Mein alter sowjetscher Frequenzzähler hat ja auch ein Netz-Aus-Schalter und eine übergeordnete-OCXO-Speisung(zweiter On/OFF-Schalter).

 
   
   
======================================================  
   
- DC-Speisung OCXO  
   
 - Stabilität, Anforderungen aus dem Datenblatt

   - Toleranz der Speisung, Frequenzabhängigkeit
 
 
   
   
- DC-Speisung Phasendiskriminator, Regelspannungs-OVP  
   
  - Stabilität, Störsignalfreiheit, Rauschfreiheit   
   
   
======================================================  
   
   
   
======================================================  
   
- DC-Speisung des GPS-Moduls  
 - Stabilität der Spannung

 - Schwankende Stromaufnahme beachten 
 
   
   
   
======================================================  
   
- DC-Speisung des Arduino NANO  
   
  - Stabilität der Spannung  
 - 5-V-Spannung als Referenz für die ADC(Analog-Digital-Wandler)  
   
   
======================================================  
   
TCXO oder OCXO?  
   
- Kurzzeitstabilität  
- Abstimmsteilheit ...  
   
======================================================  
   
AT- oder SC-Cut-Resonatoren in Oszillatoren?
 
 
- SC-Cut ist vorzuziehen  
   
======================================================  
   
- Anzeige Uc schwankt  
 - L2   
   
---> Logik Analyzer  
   
   
   
======================================================  
   
- Anmerkungen zum NEO-6M-Board  
   
GPS-based-Timing u-blox 6 GPS-RX  
- Breakout Board, funktionale Lösung eines GPS-Empfängers inklusive externer Komponenten, wie LDO, EEPROM, Backup Battery  
- GPS module, ublox oder Fake( mit originalem ublox Chip)  
  - Hybridbaustein   
- GPS chip: ublox, ok, falls Fake Chip nicht OK  
   
   
======================================================  
   
- Auflösungen, Quantisierungen  
   
Der AD-Wandler des Nano hat 10 bit Auflösung. NANO 5V: 1024 = 4,882... mV  
DAC: MCP4725: 12 Bit 5 V: 4096 = 1,22 mV  
Die SW verwendet Oversampling(15 bit Auflösung) bei der Messung der Uc und die Anzeige nutzt eine 1 mV-Auflösung.  
   
- OCXO-Steilheit Delta f/V, z.B. 3 Hz/V Abstimmsteilheit des OCXO's, 1 mHz/1 mV  
   
======================================================  
   
- Backup-Supercap oder Batterie?
   
   
- g4zfqradio - u-Blox_NEO-6-7 (google.com)
 
 " My Box -> "In my module the "RAM backup battery" is an 80mF 3V3 super-cap. XH414HG."
 
   
   
   
   
======================================================  
   
- u-blox 6 modules End of Life by u-blox, 26 January 2023  
   
   
   
   
   
   
======================================================  
   
Bestückung des IC MCP4725
[08.02.2023, mkn]
   
Achtung, diese Anmerkung bitte beachten, falls I2C-Bus-Erweiterungen genutzt werden sollen. Die I2C-Bus-Adress-Belegungen der verwendeten I2C-Devices sind zu überprüfen. Jede Adresse darf nur einmal verwendet werden.
-> Hierzu siehe auch
I2C-Adressbus-Belegung und mögliche Adressbuskonflikte
   
Aufgetretene I2C-Adress-Bus-Konfliktsituation: MCP4725 0x60 und Breakoutboard Si5351(3 Ausgänge, IC 10 pins) 0x60  
   

- verwendeter IC MCP 4725A0T-E/CH
AG00013_.gif (7874 Byte)
Quelle: Datenblatt Steuerung der I2C-Adresse mittels Beschaltung Pin 6 A0
- A0 auf Masse -> 0x60
- A1 auf High(VDD) -> 0x61

PCB 2.43
- A0 fest mit Masse verbunden

Ist die Nutzung des zweiten I2C-Anschlusses geplant, so ist die Adressbelegung vor dem Bestücken des MCP4725 zu prüfen.

Erste Abhilfen
- MCP4725 mit anderer Adressbelegung verwenden
- MCP 4725A0T-E/CH,
 - Anschluß Pin 6 hochbiegen und mit VDD mittels einer Drahtbrücke verbinden -> 0x61
 - oder die Kontaktfläche für Pin 6 auf der PCB freilegen(Entfernung von Massefläche und Verbindung zu Pin 3 VDD herstellen)
   
"I2C-Adressbit-Auswahl-Pin (A0-Bit). Dieser Pin kann mit VSS oder VDD verbunden werden, oder er kann
aktiv durch die digitalen Logikpegel gesteuert werden. Der logische Zustand dieses Pins bestimmt, welchen
das A0-Bit der I2C-Adressbits sein soll"
 
   
   
- Overview | Adafruit Si5351 Clock Generator Breakout | Adafruit Learning System  
 -> adafruit_products_schem.png (2573×1773)    
   
======================================================  
   
- PCB rev2_37  I2C-Erweiterung
 
   
- nur ein externer I2C-Bus-Anschluß, genutzt durch das LCD-Display  
-  
   
   
======================================================  
   
- I2C-Bus-Schalter und -Multiplexer
 
   
-  
   
======================================================  
   
- HW-Erweiterung zur Auswertung NMEA-Daten des GPS-Rx
 
   
 - Zweck u.a.: Synchronisation der PC-Uhrzeit   
   
- Synchronisation der PC-Uhrzeit by Uwe Pobel, DK4WW, FUNKAMATEUR 2023 H. 2, S. 136-137  
   
 Auskopplung: GPS NEO Module: -> K1: TX-Data 

- externer UART-Wandler auf USB
- Auswertung durch PC-Programm zur Synchronisation der PC-Uhrzeit
- Vorteil bei Portabel-Einsätzen, kein Internetzugang benötigt.
   
   
   
   
======================================================  
   
   
- GPSDO_by_DF4IAH - 2023 (sourceforge.net)  
   
 GNSS or DCF77 disciplined OCXO based on hardware by DL4ZAO and DL7UKM Brought to you by: espero    
   
======================================================  
   
   
   
   
   
   
   

 

Zurück  Oben

Edited on 25.03.24